特性
- 配有LAPIS ML62Q2534 CMOS 16位RISC MCU,采用48引脚TQFP封装
- 配备与 EASE1000 V2 连接的连接器
- 用于将LSI引脚连接到外部外设板的通孔
- 可选电源,支持通过片上仿真器EASE1000 V2或CN1_3pin供电
- 已安装32.768KHz晶体
- 已安装LED(P20、P21、P22)
- 可提供用于逐次逼近型A/D转换器的元件引脚布局(P30、P31、P32、P33)
- 低功耗
- 内部闪存和RAM
- 灵活的I/O和通信接口
- 实时处理
- 工作电源电压范围:1.8 V至5.5 V
- 紧凑外形尺寸:56mmx94mmx15mm(宽x深x高)
应用
- 汽车系统
- 工业设备
- 消费类电子产品
概述
电源电路
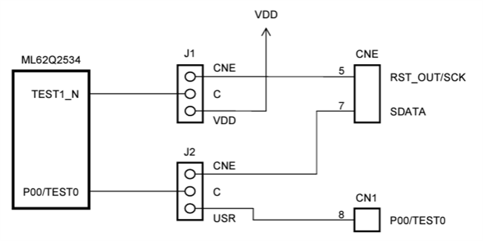
EASE1000 V2接口
PCB布局
发布日期: 2024-12-30
| 更新日期: 2025-01-07
