ROHM Semiconductor RB-D62Q2703TB48参考板支持LCD控制和可提供高效处理的16位RISC架构,简化了智能家居设备、医疗仪器和嵌入式系统等应用的开发。该电路板功能灵活,设计人性化,是在各种应用领域进行原型开发和小规模生产的绝佳选择。
特性
- 提供LAPIS ML62Q2703 CMOS 16位RISC MCU,48引脚TQFP
- 与链接的连接器一起安装到 EASE1000 V2
- 用于连接LSI引脚和外部外围电路板的通孔
- 可选电源,随片上仿真器EASE1000 V2或CN1_3pin/CN2_2pin提供
- 安装的32.768KHz晶体
- 安装的LED(P20、P21、P22)
- 可提供带有逐次逼近型A/D转换器组件的脚踏模式(P23、P24、P25、P26)
- 低功耗
- 内置闪存和RAM
- 灵活的输入/输出和通信接口
- 实时处理
- 工作电源电压范围:1.8 V至5.5 V
- 外形紧凑,尺寸为56mmx94mmx15mm(宽x深x高)
应用
- 家庭和楼宇自动化
- 工业自动化
- 消费类电子产品
- 医疗保健和医疗设备
- 汽车电子
- 物联网(IoT)的网关解决方案
- 能量管理系统
- 嵌入式系统原型开发和教育
概述
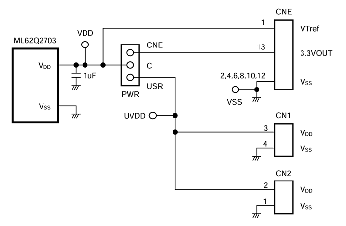
电源电路
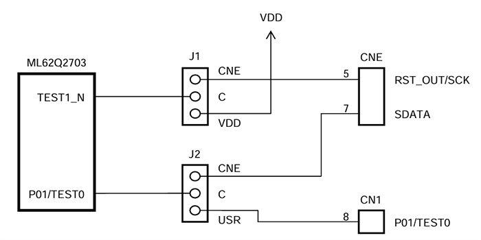
EASE1000 V2接口
PCB布局
发布日期: 2024-12-31
| 更新日期: 2025-01-07
