ROHM Semiconductor RB-D62Q2723GA64参考板
ROHM Semiconductor RB-D62Q2723GA64参考板采用LAPIS ML62Q2723 CMOS 16位RISC微控制器,专为各种应用提供高效、可靠的性能。这款ROHM Semiconductor参考板利用ML62Q2723的低功耗、高处理效率和多功能外设集成,为评估和开发嵌入式系统提供了一个实用平台。16位RISC架构可确保精确控制和计算,是工业自动化、消费电子、物联网设备和汽车系统的理想之选。该电路板配备各种接口,包括ADC、PWM、UART、SPI和I2C,便于快速制作原型并与传感器、致动器和通信模块无缝集成。其强大的设计和易用性使开发人员能够加快项目进度,同时探索ML62Q2723微控制器的功能。特性
- 提供LAPIS ML62Q2723 CMOS 16位RISC MCU,64引脚QFP
- 与链接的连接器一起安装到 EASE1000 V2
- 用于连接LSI引脚和外部外围电路板的通孔
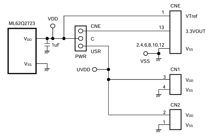
- 可选择电源,随片上仿真器EASE1000 V2或CN1_3pin/CN2_2pin提供
- 安装的32.768KHz晶体
- 安装的LED(P20、P21、P22)
- 可提供带有逐次逼近型A/D转换器组件的脚踏模式(P23、P24、P25、P26)
- 低功耗
- 内置闪存和RAM
- 灵活的输入/输出和通信接口
- 实时处理
- 工作电源电压范围:1.8 V至5.5 V
- 外形紧凑,尺寸为56mmx94mmx15mm(宽x深x高)
应用
- 工业
- 消费类电子产品
- 汽车
- 医疗设备
- 一般物联网(IoT)
- 通讯
概述
电源电路
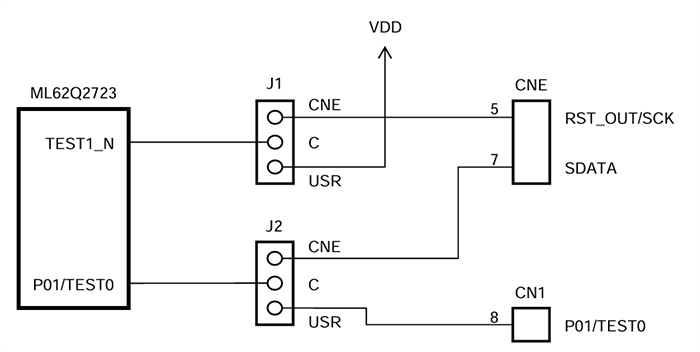
EASE1000 V2接口
PCB布局
发布日期: 2024-12-31
| 更新日期: 2025-01-29
