特性
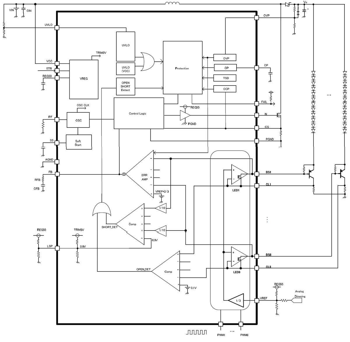
- BD9397EFV
- 6通道恒定LED驱动器,每通道可提供400mA驱动电流
- 恒流精度为±1.8%(仅限IC)
- 每个6通道PWM输入可独立控制调光
- 通过VREF进行电流模拟(线性)调光
- 带电流模式的单通道升压控制器(外部FET)
- 多种保护功能,DC/DC部分:OCP/OVP/UVLO/TSD;LED驱动器部分:OPEN和SHORT检测
- 短路检测电压由LSP端子设置
- 内部错误检测输出FAIL端子(正常=开路,错误=漏极)
- BD9479FV
- 8通道LED恒流驱动器(外部PNP Tr型)
- 最大LED设置电流500mA(VREF引脚设置)
- 内置DC/DC转换器
- 模拟调光(线性)功能
- 单通道PWM调光功能
- LED保护功能(开路-短路保护)(PWM独立型)
- 输出短路保护 (OVP)
- 内置定时器锁存功能 (CP)
- 内置FAIL指示功能
- 内置OVP电压反馈功能
- 内置PWM独立软启动电路
- SSOP-B40封装
- 内置欠压锁定功能 (UVLO) 和过压保护 (OVP)
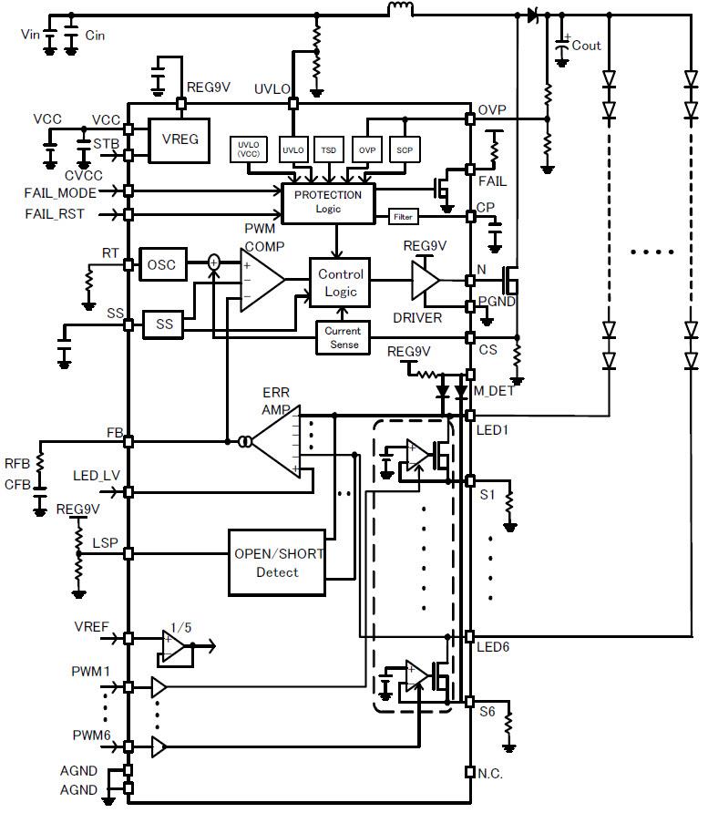
- BD93941FP
- 4通道LED恒流驱动器和DC/DC转换器
- 200mA最大LED电流
- 0.37V(@ADIM=2.5V)LED反馈电压
- 通过LED电流设置可调节反馈电压
- ±2% LED电流精度
- ADIM引脚处的模拟电流(线性)调光
- 60V LED引脚额定值
- 用于开路和短路的单独检测和单独LED熄灭指示
- 内置ISET引脚短路保护电路
- 通过外部电容器设置软启动时间
- FET的栅极(N引脚)由5.8V摆幅电压驱动
- 用于关断的内置Vout放电电路
- 内置Vout过压保护 (OVP)/降压保护 (SCP) 电路
- 具有高散热效率的HTSSOP-B20和HSOP20封装
应用
- 电视
- 电脑显示器
- 笔记本
- LCD背光
View Results ( 7 ) Page
| 物料编号 | 描述 | 工作频率 | 数据表 |
|---|---|---|---|
| BD65D00MUV-E2 | LED照明驱动器IC 4-Ch White LED Dr w/ FET 40 LED | 1.25 MHz | ![]() |
| BD9479FV-GE2 | LED照明驱动器IC White LED Driver for large LCD Panels (DCDC Converter type) | 800 kHz | ![]() |
| BD65520MUV-E2 | 马达/运动/点火控制器和驱动器 High-efficiency 36V Withstand Voltage Stepping Motor Driver | ![]() |
|
| BD18364EFV-ME2 | LED照明驱动器IC 8ch Internal By-pass Switch LED Driver: The BD18364EFV-M is a buck-boost LED driver with built-in 8ch By-pass switch. Sequential winker and animation lamp light circuits are made possible in this circuit. The By-pass switch can be controlled ON and | 550 kHz | ![]() |
| BD5291GWL-E2 | 运算放大器 - 运放 Input/Output Rail to Rail Low Input Offset Voltage Operational Amplifier: The BD5291GWL is a single operational amplifier with Input/Output Rail-to-Rail. This features Input/Output Rail-to-Rail operation with a supply voltage as low as 1.7V, wide In | ![]() |
|
| BD9397EFV-GE2 | LED照明驱动器IC White LED Driver for large LCD panel | 500 kHz | ![]() |
| BD9422EFV-E2 | LED照明驱动器IC White LED Driver for large LCD panel | 500 kHz | ![]() |
发布日期: 2015-12-10
| 更新日期: 2025-01-29

