特性
- 6 mm碳元件
- 防尘外壳
- 通孔安装
- 多种转子选项
- 线性、对数和反向对数抽头
- 无轴型
- 无卡位或套管
- 符合RoHS标准
规范
- 最大工作电压:200VDC
- 最大额定功率:0.15W(+70°C时)
- 标准电阻范围:1.0kΩ至2000kΩ
- 标准电阻容差选项:±10%或±20%
- 最大残余电阻:10Ω
- 最大滑动噪声:68mV
- 工作温度范围:-10°C至+70°C
- 最高手工焊接温度:+350°C(最长3s)
- 波峰焊温度范围:+255°C至+265°C,典型值+260°C (5s±1s)
- 机械
- 机械角度范围:225°至245°,典型值 235°
- 旋转扭矩:10gf-cm至80gf-cm
- 最小停止强度:400gf-cm
- 旋转寿命:10,000次
- 重量范围:0.18g至0.19g
转子类型
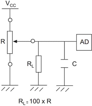
推荐电路
发布日期: 2023-01-04
| 更新日期: 2024-09-24

