该硬件可与 TMDSCNCD28P55X 、C2000™ F28P55x设备的controlCARD以及180针连接器中的其他C2000控制卡配合使用。它是基于人工智能的弧线检测工具链的一部分,该工具链包括用于收集弧线数据、训练嵌入式人工智能模型和验证系统的不同软件工具。
TI TIEVM-ARC-AFE是TIDA-010955参考设计的可订购版本。
特性
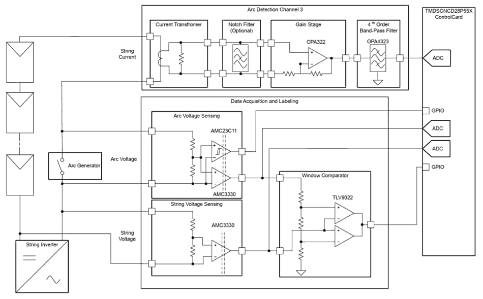
- 4通道模拟前端,用于基于人工智能的电弧检测
- 可配置模拟前端,带带通和陷波滤波器
- 用于培训数据采集的串联电压和弧隙电压测量输入端
- 自动标记电路,生成带标记的电弧数据
- 可与TMDSCNCD28P55X、 C2000 F28P55x设备的控制卡以及其他C2000控制卡的180针连接器配合使用
- 精选嵌入式人工智能模型,快速开始基于人工智能的弧线检测
应用
- 太阳能电弧保护
- 组列逆变器
- 中央逆变器
电流感应电路示意图
测试设置
弧形测试装置框图
发布日期: 2025-02-19
| 更新日期: 2025-03-05

