Nexperia 74LVC157A-Q100四路双输入多路复用器符合AEC-Q1001级的要求,指定工作温度范围为-40°C至+85°C以及-40°C至+125°C。这些设备非常适合在3.3V和5V混合应用中作为转换器使用。
特性
- 符合AEC-Q100 1级的汽车产品资格(74LVC157A-Q100)
- -40 °C 到 +85 °C 及 -40 °C 到 +125 °C
- 输入过电压容限为5.5V
- 从 1.2 V 到 3.6 V 的宽电源电压范围
- 符合JEDEC标准:
- JESD8-7A(1.65V至1.95V)
- JESD8-5A(2.3V至2.7V)
- JESD8-C/JESD36 (2.7 V 到 3.6 V)
- CMOS低功率
- 与TTL电平直接连接
- ESD保护:
- HBM:ANSI/ESDA/JEDEC JS-001 2类,超过2000V
- CDM:ANSI/ESDA/JEDEC JS-002 C3级超过1000V
- 多种封装选择
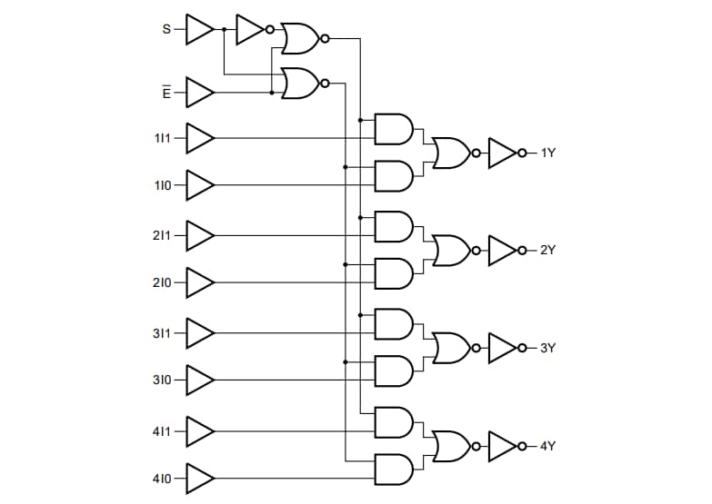
逻辑图
发布日期: 2025-06-25
| 更新日期: 2025-10-23

