特性
- 可在2.970Gb/s、2.970/1.001Gb/s、1.485Gb/s、1.485/1.001Gb/s和270Mb/s下运行
- 支持SMPTE ST 425(A级和B级)、SMPTE ST 424、SMPTE ST 292、SMPTE ST 259-C和DVB-ASI
- 集成式电缆驱动器
- 集成式低噪声VCO
- 集成式窄带宽PLL
- 集成式音频嵌入器,支持多达8个通道的48kHz音频
- 辅助数据插入
- 对于1080p 50/60 4:2:2 10位,可选择从SMPTE ST 425 A级转换到B级
- 并行数据总线可选择20位或10位
- SMPTE视频处理,包括TRS计算和插入、行号计算和插入、基于线路的CRC计算和插入、非法代码重新映射、SMPTE ST 352有效负载标识符生成和插入
- GSPI主机接口
- +1.2V数字内核电源、+1.2V和+3.3V模拟电源以及可选的+1.8V或+3.3V I/O电源
- 工作温度范围:-20ºC 至 +85ºC
- 低功耗运行(典型功耗为400mW,包括电缆驱动器)
- 小型11mm x 11mm 100焊球BGA封装
- 无铅且符合RoHS指令
应用
- 1080p 50/60相机/摄像机
- 双链路(HD-SDI)至单链路(3G-SDI)转换器
- 多格式音频嵌入模块
- 多格式数字VTR/视频服务器
- 多格式演示切换器(输出级)
- 3Gb/s SDI测试信号发生器
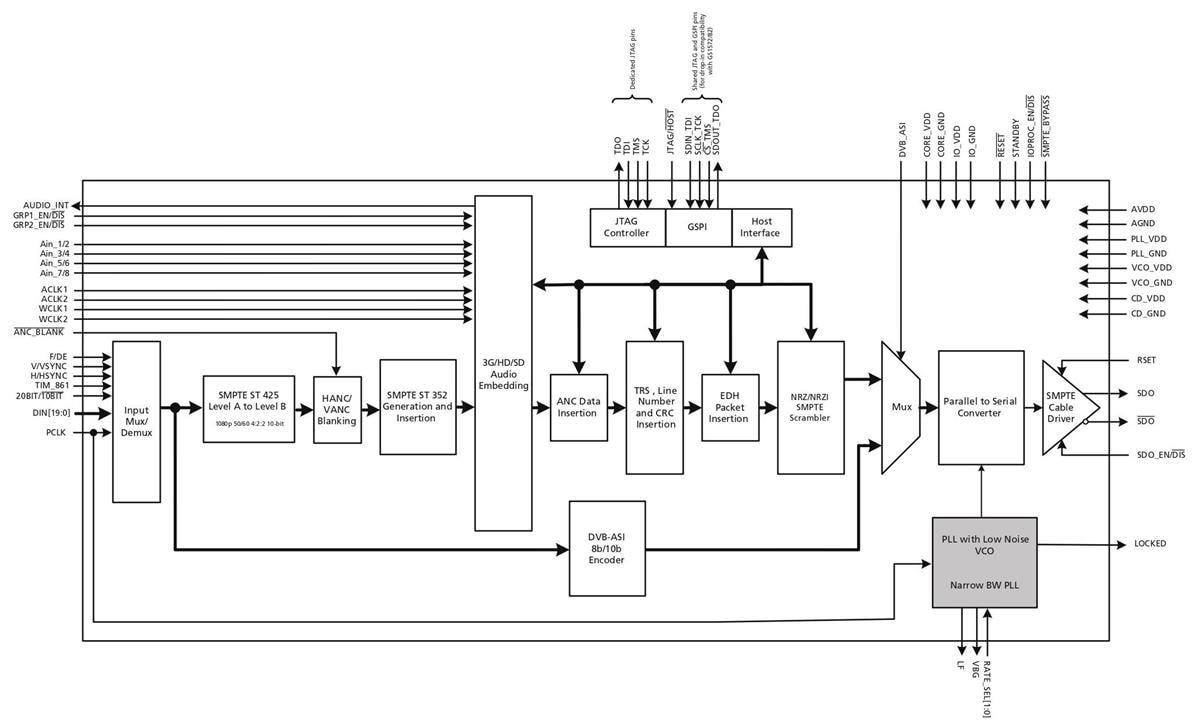
方框图
发布日期: 2022-11-03
| 更新日期: 2023-05-18

