Semtech RClamp®10022PWQ瞬态电压抑制器(TVS)
Semtech RClamp®10022PWQ瞬态电压抑制器(TVS)设计用于在汽车环境中为100BASE-T1和1000BASE-T1接口提供ESD保护。该双线抑制器采用硅雪崩技术,具有出色的ESD和TLP钳位性能。Semtech RClamp10022PWQ TVS具有±15kV触点额定值、±25kV空气放电保护(符合IEC 61000-4-2标准),最大额定电容为0.6pF。RClamp10022PWQ TVS符合 10BASE-T1S、100BASE-T1和1000BASE-T1应用的开放联盟标准,可确保高级驱动器辅助系统(ADAS)和自动驾驶的可靠以太网连接性。特性
- 符合Open Alliance标准
- 符合 AEC-Q100 标准
- 固态硅雪崩技术
- 侧面可湿性侧翼
- 封装设计经过优化,便于布局
应用
- 2.5G/5G/10GBASE-T1
- Open Alliance 100/1000BASE-T1以太网
- 汽车车载网络线路
规范
- ESD保护,符合IEC 61000-4-2标准
- ±15kV(接触)
- ±25kV(空气)
- ESD保护,符合ISO 10605标准
- ±30kV(接触和空气)
- ±15kV(接触)
- 每1000接触放电±15kV
- 最大额定电容:0.6pF
- 最小TVS触发电压:100V
- 工作电压:30V TVS
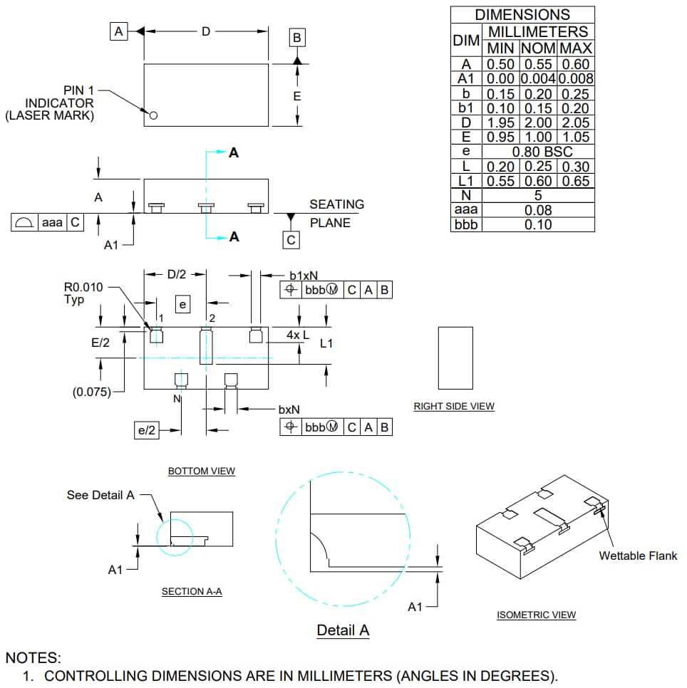
- 2mm x 1mm x 0.55mm DFN封装
- 无铅引线涂层
可湿性侧翼封装
电路图
尺寸图纸
视频
发布日期: 2025-02-24
| 更新日期: 2025-07-16
