BEI Sensors / Sensata DSO5H Incremental Encoders
BEI Sensors / Sensata DSO5H Incremental Encoders meet the demands for functional safety for the most diverse industrial applications. The encoders are usable up to SIL 3 / PLe according to IEC 61508 / IEC 13849 and suitable for safe motor feedback according to IEC 61800-5-2. Features include digital TTL/RS422 or HTL Push-pull or sine/cosine with 1Vpp output and maximum RPM of 4000. The BEI Sensors / Sensata DSO5H shaft length is standard 14mm. The robust aluminum, 58mm housing offers excellent resistance to shocks/vibrations and is rated IP65.Features
- Usable up to SIL 3 / PLe according to IEC 61508 / IEC 13849
- Suitable for safe motor feedback according to IEC 61800-5-2
- Robustness and excellent resistance to shocks / vibrations
- 58mm encoder, through shaft, standard 14mm
- IP65 protection level
- –20°C to +85°C temperature range
- 5VDC or 11/30VDC power supply
- Digital TTL/RS422 or HTL Push-pull or sine/cosine 1Vpp output
- Available resolution up to 2500ppr
- Connector or cable output, side orientation
- Adapted anti-rotation system
Applications
- Automation, motor control
- Robotics, AGVs
- Metal fabrication
- Mills, Energy
- Conventional and alternative energy generation and distribution
- Trucks
- Tire manufacturing
- Crash testing
- Automotive parts assembly
- Food and Beverage
- Equipment cleaning
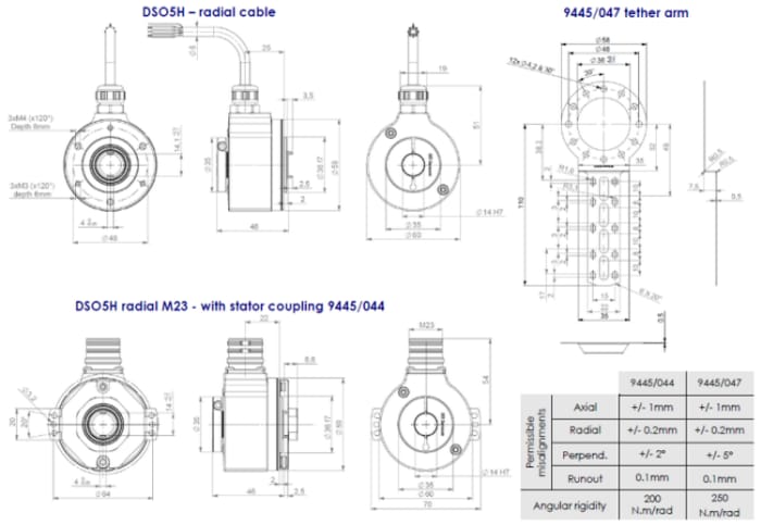
Dimensions
Additional Resources
Videos
发布日期: 2018-06-19
| 更新日期: 2022-08-11
