SOICW-16封装结构通过将导体中电流产生的磁场与单片式霍尔传感器IC进行磁耦合来提供高隔离度,而单片式霍尔传感器IC与集成电流导体没有物理连接。MA封装经过优化,具有5000VRMS的耐压和0.85mΩ的导体电阻,从而提高了隔离度。
Allegro MicroSystems ACS71010霍尔效应电流传感器具有可从外部配置的操作特性,而且无需编程即可保持稳定。快速过流故障输出为系统保护提供短路检测,故障阈值与电流范围成正比,可通过模拟输入进行设置。基准引脚提供与0A输出电压相对应的稳定电压。参考电压可进行差分测量,并通过器件参考电压设置过流故障阈值。
该器件符合RoHS规范,采用100%雾锡镀锡引线框架,不含铅 (Pb)。
特性
- 工作带宽高,适用于快速控制回路或需要监控高速电流的场合
- 400kHz带宽
- 1.1µs典型响应时间
- 高性能,适用于优化的能源应用
- 灵敏度误差小于0.6%,最大失调电压为 ±4mV,耐温性能良好(3σ,-40°至+105°C)
- 通过VREF输出实现非比率操作
- 差分传感,对外部磁场有很强的抗扰性
- 无磁滞
- 可调快速过流故障,典型响应时间为1µs
- 内部初级导体电阻低至0.85mΩ
- 通过UL 62368-1(第 3 版)认证,采用高度隔离的紧凑型SOICW-16表面贴装封装
- 5000VRMS耐压
- 1097VRMS/1550VDC基本绝缘电压
- 565VRMS/800VDC增强绝缘电压
- 优化的温度范围:-40°C至+105°C,功能工作温度可达+125°C
- 通过2级AEC-Q100汽车认证(待定)
应用
- 太阳能(光伏)逆变器
- 光伏监控
- MPPT
- 电动汽车充电
- 储能系统(ESS)
- 电源(UPS、SMPS)
- 直流/交流相电流感应
典型双向应用
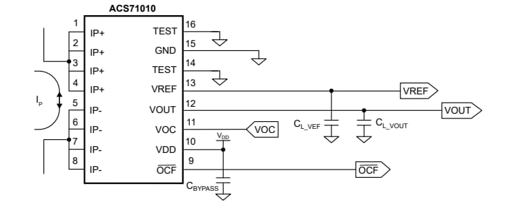
框图
发布日期: 2025-06-18
| 更新日期: 2025-07-03

