LD20基站用于评估和测试LD20-2600B液体流量传感器。该连接器块通过夹式机构将传感器机械固定到位,并在传感器的触点焊盘和PC之间提供电气接口。
POGO-PIN 是一款弹簧加载测试探头,可搭配LD20-2600B液体流量传感器和LD20BASESTATION使用。
特性
- 双向测量几百μl/h至1000ml/h的流速
- 内置CMOSens® 技术
- 快速可靠的检测:
- 气泡探测
- 自由流动
- 闭合
- 线性化、温度补偿和完全校准的数字输出信号 (I2C)
- 低功耗,用于电池供电应用
- 介质隔离
- I2C和RS485接口
- 高可靠性和长期稳定性
- 直通无阻流体通道,没有移动部件
- 医用级耐化学腐蚀的浸湿材料
应用
- 手术器械
- 关键和家庭护理
- 连续尿流测量
- 便携式药物输送设备
- 先进的输液治疗
- 生物制药流程
规范
- 精度:5% (H2O)
- 重复性:0.5% (H2O)
- 最大工作压力:3bar
- 电源电压范围:3.2V至3.8V
- 最大电源电流:6000μA
- 工作温度范围:5°C至45°C
- 工作湿度范围:0% RH至95% RH(非冷凝)
视频
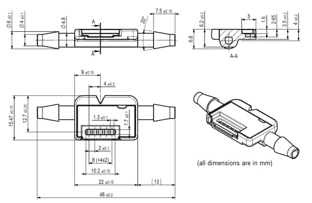
机械图
相关开发工具
发布日期: 2023-10-11
| 更新日期: 2024-07-04

