Littelfuse LF5346x-08TMR全极磁传感器

Littelfuse LF5346x-08TMR全极磁传感器是先进的隧道磁阻 (TMR) 角度传感器,设计用于严苛应用中高精度磁场检测。这些LF5346x-08TMR传感器可进行全极操作,这意味着它们能以相同的灵敏度检测北极和南极磁极,提高设计灵活性并简化系统集成。LF53464-08TMR和LF53466-08TMR型号具有超低功耗和高灵敏度,非常适合用于电池供电的和紧凑的设备。这些Littelfuse传感器具有宽工作电压范围,在极端温度条件下具有稳健的性能,因此适合用于汽车系统、工业自动化和消费类电子产品。紧凑的外观尺寸和高可靠性还支持旋转编码器、非接触式开关以及恶劣环境中的位置感测等应用。

特性

  • TMR技术
  • XY轴检测方向
  • 宽电源电压范围
  • 差分输出
  • 优异的热稳定性
  • 0°至360°角度测量
  • 符合RoHS指令和REACH标准
  • LF53464-08TMR
    • 更宽的气隙能力
    • 采用更小磁体,降低成本
  • LF53466-08TMR
    • 两个桥在一个封装中
    • 高精度测量

应用

  • 旋转和线性位置检测
  • 非接触式开关
    • 智能锁
    • 盖子传感器
  • 工业自动化
    • 机器人关节角度反馈
    • 输送带位置跟踪
    • 机器中接近检测
  • 电池供电设备
    • 便携式工具
    • 可穿戴设备
    • 智能家居设备
  • 角度检测系统
    • 机器人技术
    • 自动化
  • 汽车系统
    • 齿轮位置检测
    • 踏板位置检测
    • 转向角监测
  • 消费类电子产品
    • 笔记本电脑和平板电脑中盖子闭合检测
    • 磁性扩展坞
    • 智能家电控制

规范

  • LF53464-08TMR
    • 供电范围:上至7V
    • 峰值电压:340mV(典型值)
    • 失调电压:±20mV/V
    • 桥电阻范围:100kΩ至190kΩ
    • 全极磁动态范围:200G至800G
    • 最大磁场:3000G
    • 典型角度误差:0.6°
    • 人体模型 (HBM) ESD性能:最大4000V
    • 工作温度范围:-40 °C至+85 °C
    • LGA8L封装
  • LF53466-08TMR 
    • 电源范围:1.0 V至5.5 V
    • 输出峰值电压:300mV(典型值)
    • 输出峰-峰电压:600mV(典型值)
    • 失调电压:±5mV/V
    • 桥电阻范围:3kΩ至7kΩ
    • 全极磁动态范围:200G至800G
    • 最大磁场:4000G
    • 典型角度误差:0.8°
    • 最大ESD性能
      • 4000 V人体模型 (HBM)
      • 750 V充电器件模型 (CDM)
    • 工作温度范围:-40 °C至+150 °C
    • TSSOP8封装

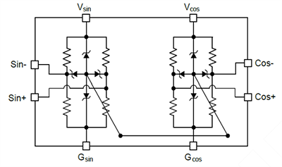
功能框图

框图 - Littelfuse LF5346x-08TMR全极磁传感器

视频

发布日期: 2025-05-29 | 更新日期: 2025-10-31