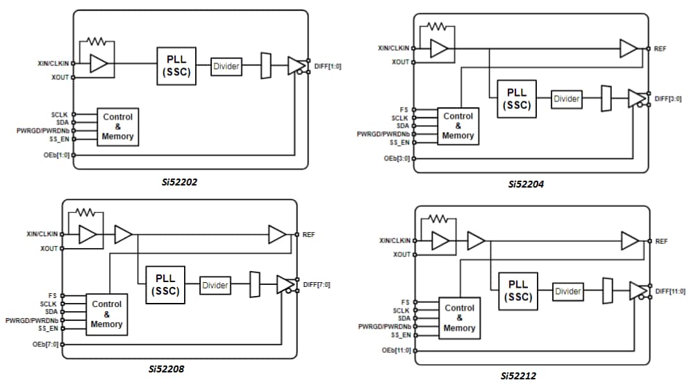
Si52212、Si52208、Si52204可以源出十二路、八路和四路100MHz PCIe差分时钟输出,以及一路25MHz LVCMOS参考时钟输出。Si52202仅能源出两路100MHZ PCIe时钟输出。这些时钟发生器非常适合用于工业和消费电子应用,以实现小尺寸和低功耗。其他应用包括服务器、存储器、数据中心、扩展坞、数码摄像机以及多功能打印机。
特性
- 12/8/4/2路输出低功耗、兼容推挽式HCSL的PCI-Express Gen 1/2/3/4以及SRIS输出
- 低抖动:0.4ps(最大值)
- 单独的硬件控制引脚
- I2C控制,用于输出使能、扩频使能和频率选择
- 0.25%或0.5%向下扩谱的三角扩频,用于降低EMI
- 100Ω或85Ω内部线路匹配
- 可调节输出压摆率
- 掉电 (PWRDNb) 功能支持唤醒LAN(Si52202除外)
- 一个非扩频和LVMCOS参考时钟输出(Si52202除外)
- 133MHz或200MHz差分输出频率
- 25MHz晶振输入或时钟输入
- I2C支持,带回读功能
- 扩展温度范围:-40°C至85°C
- 1.5V至1.8V电源电压,带独立VDD和VDD_IO
- 小尺寸QFN封装
- 无铅,符合RoHS-6指令
应用
- 服务器
- 存储器
- 数据中心
- PCIe附加卡
- 网络接口卡 (NIC)
- 图形适配卡
- 多功能打印机
- 数码单反相机
- 数码相机
- 数码摄像机
- 扩展坞
Si522xx框图
发布日期: 2017-09-21
| 更新日期: 2022-04-01

