STMicroelectronics EVL6480步进电机驱动器评估板
STMicroelectronics EVL6480步进电机驱动器评估板基于L6480,提供了一套既经济划算又易于使用的解决方案,用于驱动用户应用中的步进电机。L6480器件是一套先进、完全集成的解决方案,适用于驱动微步进两相双极步进电机。它将用于N沟道MOSFET功率级的双路全桥栅极驱动器与嵌入式非耗散过流保护相结合。得益于用于补偿BEMF、总线电压和电机绕组变化的独特电压驱动模式,可实现真正1/128步进分辨率的微步进。数字控制内核可生成用户定义的运动曲线,并可通过专用寄存器轻松设置加速、速度、减速或目标位置。所有命令和数据寄存器均通过标准5Mbit/s SPI发送,包括用于设置模拟值的命令(例如电流控制值、电流保护跳变点、死区时间等)。全面的保护功能(热保护、低总线电压、过流保护和电机失速)充分保护L6480器件,可满足电机控制应用最严苛的要求。STMicroelectronics EVL6480与Arduino® UNO R3连接器兼容,并支持添加其他板,这些板可堆叠以驱动多达三台步进电机。
特性
- 从 7.5 V 到 85 V 的电压范围
- 低RdsON MOSFET,采用DPAK封装
- 电压模式驱动
- 充分保护的功率级
- 高达1/128的微步进分辨率
- 兼容Arduino UNO R3连接器
- 适用于多电机解决方案
- 符合RoHS标准
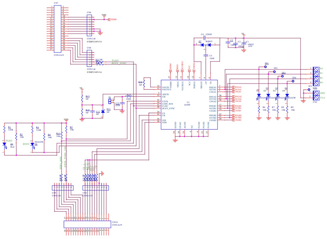
板示意图
发布日期: 2024-10-31
| 更新日期: 2024-11-07
