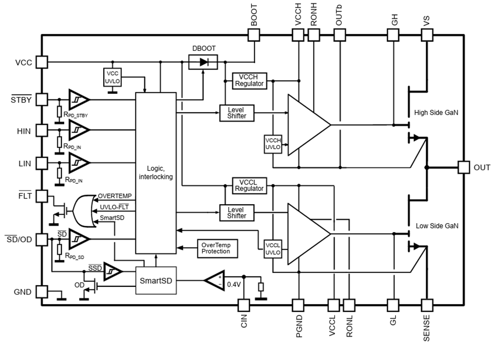
GANSPIN611设计用于运动控制,可优化输出dV/dt至 10V/ns(典型值),实现硬开/硬关。电机控制中需要此功能,以确保EMI、电机绕组和滚珠的可靠性。稳健性和可靠性也是GaNSPIN系列的显著特点。GaNSPIN系列设备集成了先进的保护功能,可确保理想的系统稳健性。由于其内置逻辑和专用高速比较器,SmartShutdown过电流保护功能可提供快速响应。
STMicroelectronics GANSPIN611采用紧凑型9mm x 9mm x 1mm QFN封装,工作温度范围为-40°C至+125°C。GaNSPIN611与GaNSPIN612(RDS(ON)为270mΩ)引脚对引脚兼容,可最大限度地实现平台方法的可扩展性。
特性
- 集成了半桥配置高压氮化镓晶体管的电源系统级封装 系列,带有高压栅极驱动器
- RDS(ON)=138mΩ
- IDS(MAX)=10A
- 反向导通能力和零反向恢复损耗
- 硬开和硬关两种状态时,输出dV/dt为10V/ns(典型值),专为电机控制而设计
- 线性稳压器用于调节高侧和低侧驱动器电源电压
- 外部可调导通dV/dt
- 内部自举二极管
- 过流检测比较器,具有智能关断功能
- VCC、VHS和VLS欠压锁定(UVLO)保护
- 互锁功能、关断、待机和故障引脚
- 55ns栅极驱动器,导致整体输出传播延迟为150ns(典型值)
- 3.3 V至20 V兼容输入,具有迟滞和下拉功能
应用
- 家用电器
- 压缩机
- 泵
- 风扇
- 个人护理电器
- 工厂自动化
- 伺服驱动器
- 电动工具
方框图
发布日期: 2025-10-29
| 更新日期: 2026-03-11

