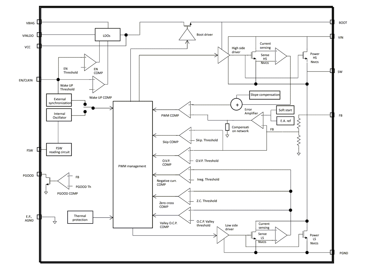
A6983I采用紧凑型QFN-16(3mm x 3mm)封装,具有内部补偿功能,因此可最大限度地降低设计复杂性和减小器件外形尺寸。开关频率可在200kHz至1MHz范围内进行编程,并具有可选的扩展频谱,以改善EMC。
特性
- 符合 AEC-Q100
- 工作温度范围:-40°C至+150°C (TJ)
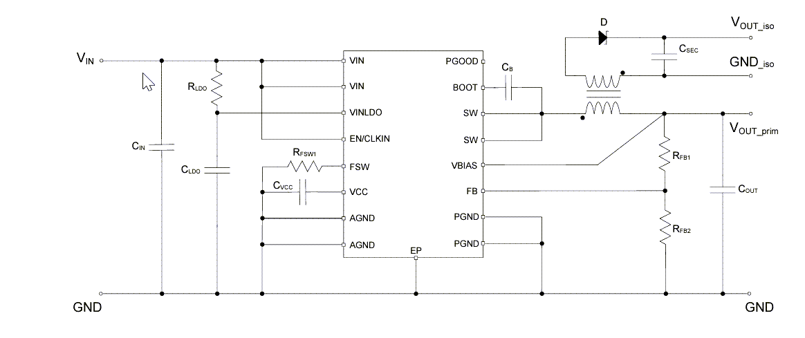
- 设计用于隔离式降压拓扑
- 3.5 V 到 38 V 工作输入电压
- 可耐受高达40V的负载突降
- 一次侧输出电压调节,无需光耦合器
- 拉/灌峰值一次侧电流能力:4.5A
- 强制PWM运行峰值电流模式架构
- 消隐时间:390 ns
- 25 μA 运行静态电流
- 可编程开关频率:200kHz至1MHz,搭配低ESR电容器可稳定工作,最小2µF
- 内部补偿网络
- 关断电流:2µA
- 内部软启动
- 使能引脚
- 过压保护
- 输出电压排序
- 热保护
- 可选扩频,用于改善EMC
- 电源正常
- 与外部时钟同步
- QFN-16 (3 mm x 3 mm) 封装
应用
- 汽车隔离式IGBT/SiC MOSFET栅极驱动器电源
- HEV/EV车载充电器(OBC)
- 电动牵引系统
框图
典型应用电路
Iso-buck通用示意图
发布日期: 2024-02-16
| 更新日期: 2025-03-28

