特性
- 符合AECQ-100标准
- 0.5A DC输出电流
- 4V至38V工作输入电压
- 低功耗模式或低噪声模式
- 30μA IQ(轻负载,LCM VOUT = 3.3V)
- 8μA IQ-SHTDWN
- 输出电压:
- 3.3V和5V固定输出电压
- 0.85V至VIN可调输出电压
- 可调节fSW (250kHz - 2MHz)
- 内置输出电压监控器
- 同步
- 可调软启动时间
- 内部电流限制
- 过压保护
- 输出电压排序
- 峰值电流模式架构
- RDSON HS = 360mΩ,RDSON LS = 150mΩ
- 热关断
应用
- 设计用于汽车系统
- 电池供电应用
- 车身应用(低功耗模式)
- 汽车音响和低噪声应用 (LNM)
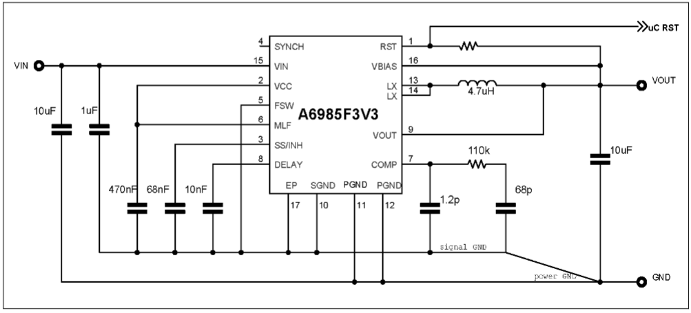
A6985F应用电路
发布日期: 2016-03-02
| 更新日期: 2022-03-11

