STMicroelectronics EVAL-L99SM81V评估板

STMicroelectronics EVAL-L99SM81V评估板设计用于驱动采用微步进模式的双极步进电机以及用于失速检测的线圈电压测量。该评估板由主板和带有L99SM81V步进电机驱动器的子板组成。两个评估板均为电子控制模块提供增强的电源管理电源功能,其中包括待机模式。基于SPC56微控制器的主板提供逻辑部分,用于监控和驱动组装在子板上的L99SM81V。

特性

  • 通过L99SM81V器件驱动双极步进电机
  • MOSFET反向电池保护,可通过专用跳线配置替换为两个二极管
  • ISO脉冲保护(无法焊接)
  • 通常通过特定的子板连接器以12V供电
  • 可以在电机端子处焊接输出电容器
  • 子板上设有L99SM81V内部5V线性稳压器输出连接器
  • 主板允许通过专用跳线在5V和3.3V之间选择L99SM81V的数字电源

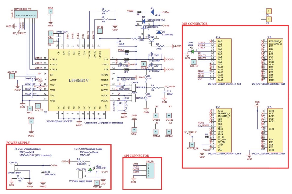
EVAL-L99SM81V示意图

原理图 - STMicroelectronics EVAL-L99SM81V评估板
发布日期: 2018-11-27 | 更新日期: 2023-02-23