STMicroelectronics HVLED815 Offline LED Drivers
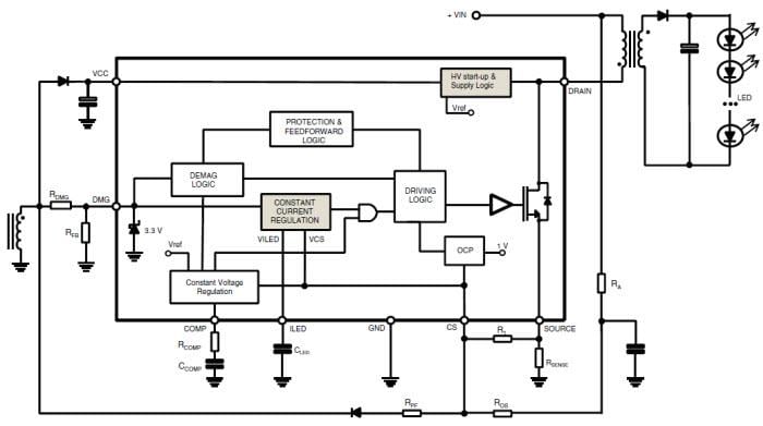
STMicroelectronics HVLED815 Offline LED Drivers are high-voltage primary switchers that are intended to operate directly from the rectified mains with minimum external parts and enabling high power factor (> 0.90) to provide an efficient, compact and cost effective solution for LED driving. They combine a high-performance low voltage PWM controller chip and an 800V, avalanche-rugged Power MOSFET, in the same package. There is no need for an optocoupler thanks to the patented primary sensing regulation (PSR) technique. They assure protection against LED string fault (open or short).Features
- High power factor capability (> 0.9)
- 800V, avalanche rugged internal 6Ω (HVLED815) power MOSFET
- Internal high-voltage startup
- Primary sensing regulation (PSR)
- ±5% accuracy on constant LED output current
- Quasi-resonant (QR) operation
- Optocoupler not needed
- Open or short LED string management
- Automatic self-supply
Applications
- AC-DC LED driver bulb replacement lamps up to 15W (HVLED815), with a high power factor
- AC-DC LED drivers up to 15W (HVLED815)
Block Diagram
Additional Resources
发布日期: 2012-10-05
| 更新日期: 2022-03-11
