特性
- 供电电压为6V至54V,用于单电池(12V系统)、双电池(24V系统)和48V电池应用
- 该器件的FET高侧驱动器引脚可承受-7V到90V的电压
- 2个差分电流检测放大器:
- 输出偏移可通过SPI选择(用于接地分流电阻连接的0.2*VCC偏移,用于相位分流电阻连接的0.5*VCC偏移)
- 所有放大器增益系数均可编程(10、30、50、100)
- 符合AEC-Q100标准
- 针对各栅极驱动器的输入引脚
- 低待机电流消耗
- 3.3V内部稳压器,由VCC引脚供电
- 升压稳压器,用于低至6V的全Rdson和过压保护
- 3个低侧+ 3个高侧驱动器:
- 高达20kHz的PWM工作模式
- 可通过SPI调节栅极驱动器电流,有4种电流电平可选。通过一个外部电阻设定范围。最大栅极控制电流:600mA
- 连接至各MOSFET源
视频
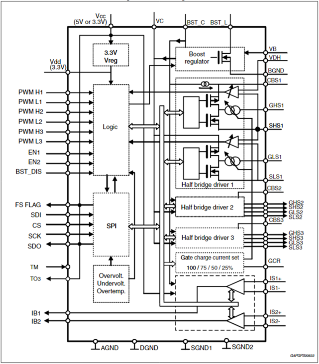
Block Diagram
Dimensions
发布日期: 2017-06-07
| 更新日期: 2022-05-31

