特性
- 符合AEC-Q100标准
- 工作电源电压:6V至28V
- 中央2级电荷泵
- 100%占空比
- 全RDSon低至6V(标准电平阈值MOSFET)
- 提供电荷泵输出,用于驱动外部反向电池NMOSFET保护
- 电荷泵限流
- 高达30kHz的PWM工作模式
- SPI接口
- 电流检测放大器/免费可配置
- 零调整,用于结束线路调整
- 电源管理:可编程续流
- 外部MOSFET的检测电路,带嵌入式热传感器
应用
- 雨刮器
- 电动车门
- 安全带张紧器
- 座椅调节
- 电子气门技术
- 停车制动
- 2H电机
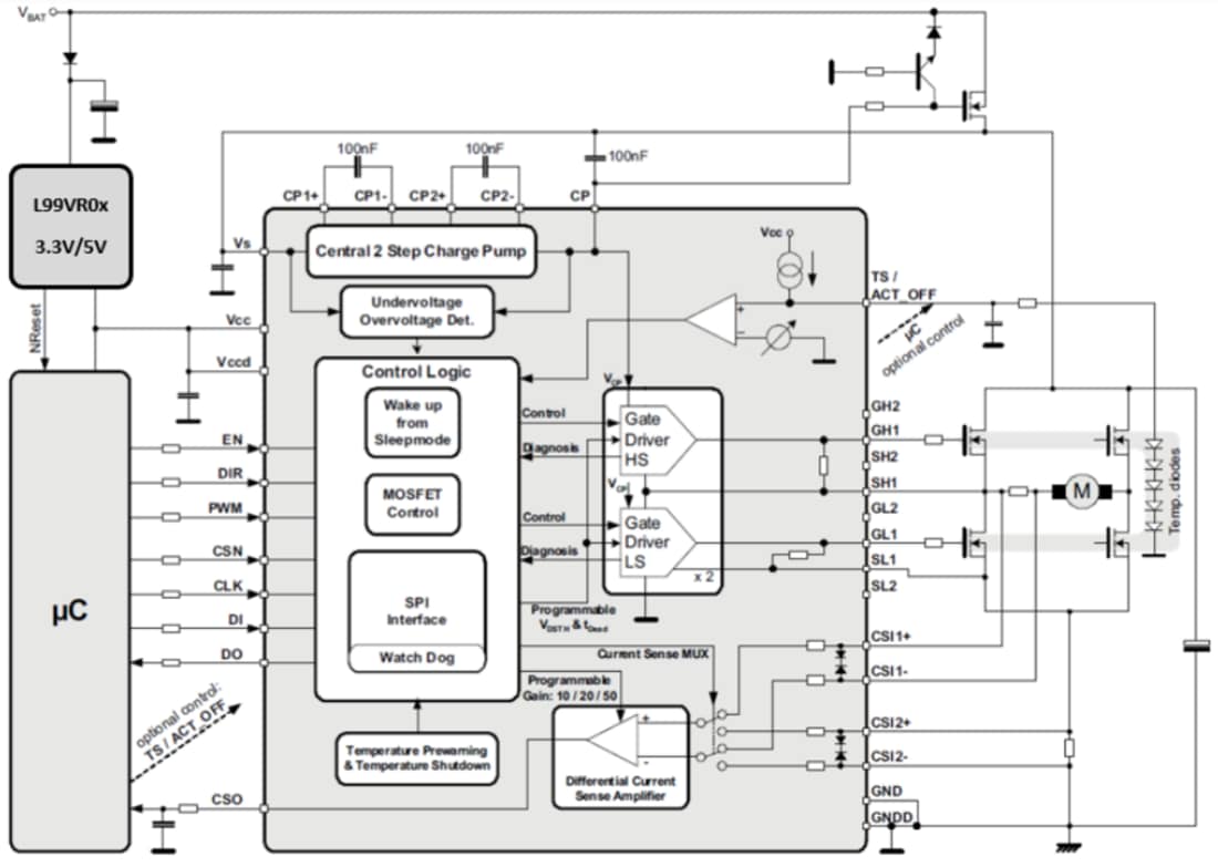
框图
发布日期: 2021-10-29
| 更新日期: 2023-01-06

