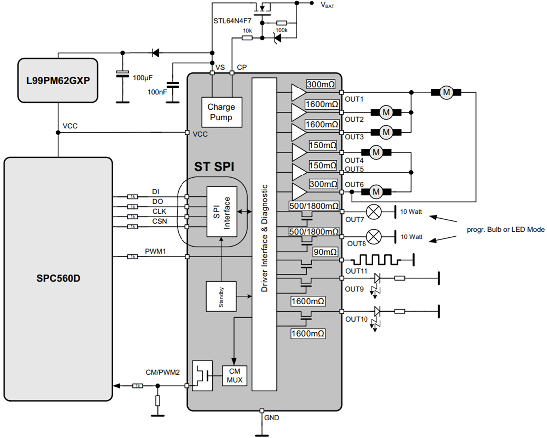
特性
- 符合AEC-Q100标准
- 两个半桥,用于6A负载 (RDSon = 150mΩ)
- 两个半桥,用于3A负载 (RDSon = 300mΩ)
- 两个半桥,用于0.75A负载 (RDSon = 1600mΩ)
- 一个高侧驱动器,用于6A负载 (RDSon = 90mΩ)
- 两个可配置的高侧驱动器,用于高达1.5A负载 (RDSon = 500mΩ) 或0.4A负载 (RDSon = 1800mΩ)
- 两个高侧驱动器,用于0.5A负载 (RDSon = 1600mΩ)
- 借助可编程软启动功能驱动负载,用较高浪涌电流作为电流限制值
- 待机模式下电流消耗极低(IS < 6μA(典型值);Tj ≤85°C;ICC < 5μA(典型值);Tj ≤85°C)
- 用于所有高侧驱动器的电流监控器输出
- 该器件包含温度警告和保护特性
- 针对所有输出的开路负载检测
- 针对所有输出的过流保护
- 针对所有输出的PWM控制
- 电荷泵输出,用于反极性保护
- ST标准串行外设接口 (ST-SPI 3.0)
应用
- 多电机控制和采用高侧配置的其他负载,例如灯泡/LED或需要受保护的电源(例如传感器或摄像头)
框图
发布日期: 2019-12-04
| 更新日期: 2024-02-19

