特性
- 输入电压范围:2.5V至18V
- 20V AMR
- 固定输出电压:1.2V(1.185V)、1.5V、1.8V、2.5V、3V、3.3V、5.0V(可根据要求提供其他选项)
- 确保1.2A的输出电流
- 典型压差:350mV(1.2A时)
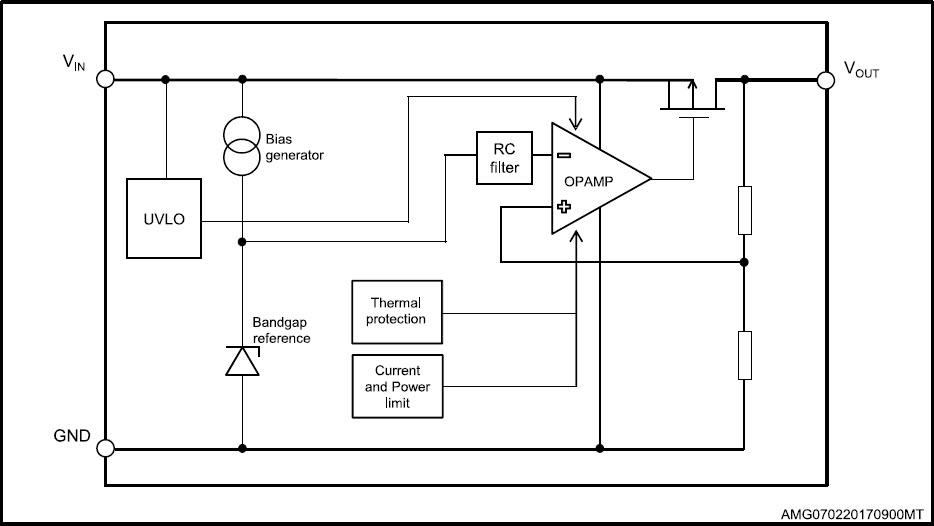
- 内部热限制、电流限制和功率限制
- 高PSRR:87dB(120Hz时)
- 工作温度范围:-40°C至+125°C(SOT223封装)
应用
- 消费电子产品
- 工业
- SMPS
- 主板P.O.L.
- 直流-直流后置稳压
助您完成设计
框图
发布日期: 2017-07-10
| 更新日期: 2022-03-11

