STMicroelectronics LM2902B低功耗四通道运算放大器

STMicroelectronics LM2902B低功耗四通道运算放大器(运放)专门设计用于汽车和工业控制系统。这四个独立的高增益放大器的频率补偿在内部实现。LM2902B低功耗四通道运算放大器的工作电源电压高达36V,具有1.2MHz宽带宽(单位增益)和100dB大直流电压增益。这些放大器符合AEC-Q100标准,可在宽电压范围内由单电源供电运行。LM2902B低功耗四通道运算放大器用于电信设备、电源管理和工业应用。

特性

  • 工作电源电压:高达36V
  • 内部实现的频率补偿
  • 极低电源电流/放大器,不受电源电压影响
  • 宽带宽(统一增益):1.2MHz(温度补偿后)
  • 低输入偏置电流:20nA(温度补偿后)
  • 差分输入电压:±40V
  • 输入共模电压范围,带负电源轨
  • 差分输入电压范围等于电源电压
  • 符合AEC-Q100标准
  • 100dB大直流电压增益
  • 低输入失调电流:2nA
  • 输出电压摆幅大:0V至VCC -1.5V
  • 最高结温:150°C

应用

  • 电信设备
  • 电源管理
  • 工业
  • 汽车

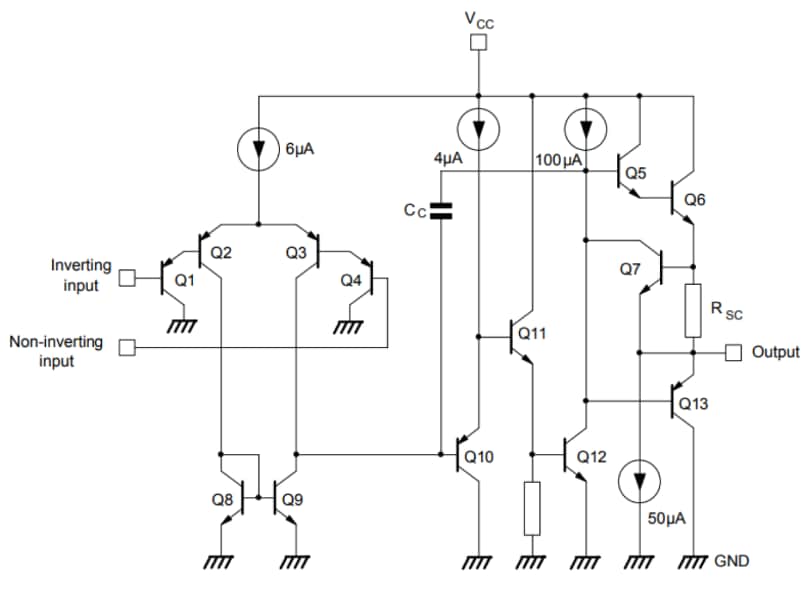
示意图

原理图 - STMicroelectronics LM2902B低功耗四通道运算放大器
发布日期: 2022-03-07 | 更新日期: 2022-05-31