STMicroelectronics LM2904B低功耗双通道运算放大器
STMicroelectronics LM2904B低功率双通道运算放大器包括两个在内部进行频率补偿的独立高增益运算放大器(运放)。它们专门设计用于汽车和工业控制系统。该电路可在宽电压范围内的单电源下工作。STMicroelectronics LM2904B保证可在高达36V的电源电压下工作。低电源消耗不受电源电压幅度的影响。应用领域包括换能器放大器、直流增益模块和可以在单电源供电系统中轻松实现的所有常规运算放大器电路。这些电路可直接由标准5V电源(通常用于逻辑系统)供电。它可快速提供所需的电子接口,无需任何额外电源。在线性模式下,输入共模电压范围包括接地,即使通过单电源电压工作,输出电压摆幅也可至接地。特性
- 工作电源电压:高达36V
- 内部实现的频率补偿
- 100dB大直流电压增益
- 宽带宽(统一增益):1.2MHz(温度补偿后)
- 极低电源电流/放大器-不受电源电压影响
- 低输入偏置电流:20nA(温度补偿后)
- 低输入失调电流:2nA
- 输入共模电压范围包括负电源轨
- 差分输入电压范围等于电源电压
- 输出电压摆幅大:0V至VCC -1.5V
应用
- 电信设备
- 电源管理
- 工业应用
- 汽车
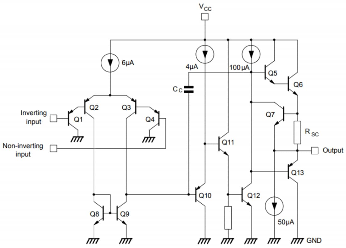
示意图
发布日期: 2021-07-27
| 更新日期: 2022-03-11
