STMicroelectronics LSM330/D iNEMO 3D 加速计& 3D 陀螺仪

STMicroelectronics LSM330/D iNEMO 3D 加速计& 3D 陀螺仪是封装内系统,配备了 3D 数字加速计和 3D 数字陀螺仪。ST MEMS 传感器模块系列采用了已经用于微机械加速计和陀螺仪的强大、成熟的制造工艺。各种传感元件采用专用微机械工艺进行制造,而 IC 接口采用 CMOS 技术开发而成,可实现专用电路的设计,这些设计可以精确地进行调节,使其与传感元件的特性匹配。LSM330/D 有用户可选择的±2g/±4g/±8g/±16g 或 ±2/±4/±6/±8/±16g 的满量程加速度范围及±250/±500/±2000dps 的角速度。加速计和陀螺仪传感器既可以激活,也可以单独置于低功耗/断电模式下,以适应节约功耗的应用的需求。

The various sensing elements are manufactured using specialized micromachining processes, while the IC interfaces are developed using a CMOS technology that allows the design of a dedicated circuit which is trimmed to better match the sensing element characteristics.

The LSM330 has user-selectable full-scale acceleration range of ±2/±4/±6/±8/±16g and angular rate of ±125/±250/±500/±1000/±2000dps. The accelerometer and gyroscope sensors can be either activated or separately put in Low power/Power-down mode for applications optimized for power saving.

特性

  • 2.4V to 3.6V analog supply voltage
  • 1.8V digital supply voltage IOs
  • Low power mode
  • Power-down mode
  • Sleep mode
  • 2 embedded programmable state machines
  • 3 independent acceleration channels and 3 angular rate channels
  • ±2/±4/±6/±8/±16g selectable full scale
  • ±250/±500/±2000 dps selectable full scale
  • SPI/I2C serial interface (16-bit data output)
  • Programmable interrupt generator for free-fall and motion detection
  • Embedded temperature sensor
  • Embedded FIFO
  • ECOPACK® RoHS and "Green" compliant

应用

  • GPS navigation systems
  • Impact recognition and logging
  • Gaming and virtual reality input devices
  • Motion activated functions
  • Intelligent power saving for handheld devices
  • Vibration monitoring and compensation
  • Free-fall detection
  • 6D orientation detection

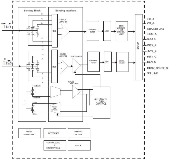
Block Diagram

框图 - STMicroelectronics LSM330/D iNEMO 3D 加速计& 3D 陀螺仪
发布日期: 2014-03-13 | 更新日期: 2024-02-16