STMicroelectronics PWD13F60栅极驱动器
STMicroelectronics PWD13F60栅极驱动器是一款高密度电源驱动器和高压全桥,带集成栅极驱动器。PWD13F60器件接受电源电压范围广,受低压UVLO检测保护。这些PWD13F60栅极驱动器电源系统级封装和高压功率MOSFET具有低RDS (320mΩ) 和600V漏源击穿电压。PWD13F60栅极驱动器轻松连接微控制器和DSP单位或霍尔效应传感器,输入引脚范围广。这些PWD13F60栅极驱动器还具有宽驱动器电源电压、内部自举二极管,输出与输入同步,让设计更加灵活、简单和快速。PWD13F60采用10mmx13mmx1.0mm VFQFPN封装。典型应用包括工厂自动化、电机驱动器(用于工业和家用电器)、风扇和泵以及电源装置。特性
- 电力系统级封装集成栅极驱动器和高压功率MOSFET
- 低RDS(on)=320mΩ
- BVDSS = 600V
- 适合用作
- 全桥
- 双独立半桥
- 宽驱动器电源电压,低至 6.5V
- 供电电压UVLO保护
- 迟滞和下拉3.3V至15V兼容输入
- 联锁功能,防止交叉导电
- 内置自举二极管
- 输出与输入同相
- 超紧凑、简化的布局
- 灵活、简单、快速的设计
应用
- 电机驱动器,用于工业和家用电器
- 工厂自动化
- 风扇和泵
- HID和镇流器
- 电源装置
- 直流-直流和直流-交流转换器
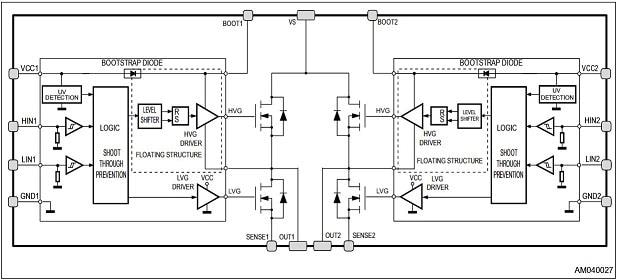
PWD13F60框图
EVALPWD13F60评估板
发布日期: 2018-04-02
| 更新日期: 2023-02-01
