STMicroelectronics ST-ONE数字控制器
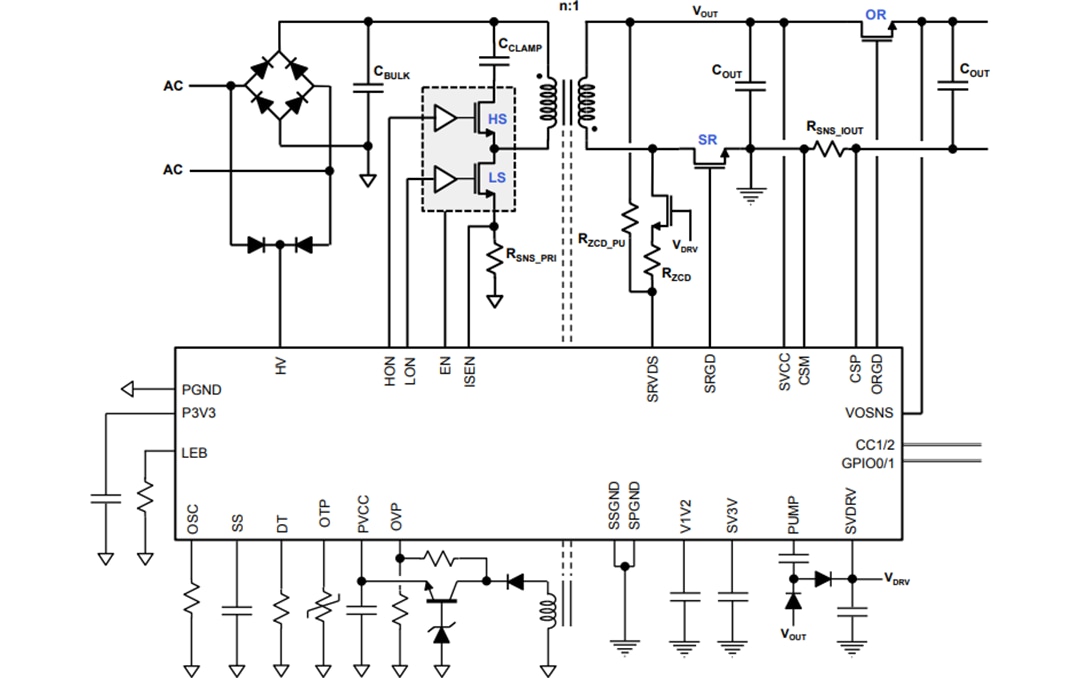
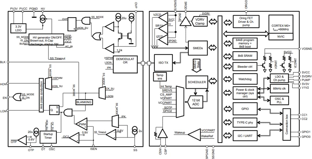
STMicroelectronics ST-ONE数字控制器在单一封装中集成了ARM Cortex M0+内核、离线可编程控制器和USB PD PHY。该系统 设计用于控制ZVS非互补有源钳位反激式转换器。这样即可打造具有USB-PD接口的高功率密度电池充电器和适配器。 该器件包括一个有源钳位反激式控制器及其一次侧的高压启动。它还包括微控制器和控制二次侧转换和USB-PD通信所需的所有外设。两侧通过嵌入式电隔离双通信通道进行连接。 STMicroelectronics ST-ONE数字控制器采用紧凑型SSOP-36封装,非常适合用于空间受限的应用。ST-ONEHP器件专门设计用于控制高功率密度USB-PD 3.1 EPR兼容充电器和适配器。这些数字控制器预装有固件,可处理电源转换和USB-PD 3.1 EPR通信协议。
特性
- 非互补有源钳位反激式拓扑可实现大功率(65W及以上),在QR反激式方面具有更高效率
- 大功率
- 高频运行以及GaN FET使用可实现更小尺寸的磁性元件
- 重量小,尺寸小
- 高集成度降低了BOM总数
- Cortex-M0+内核(带64kB嵌入式闪存)支持对USB-PD协议和电源转换级进行定制
- 易于定制
- ST-ONE预装在闪存中的USB-PD 3.1 PPS认证固件,是用于标准应用的交钥匙解决方案
- SSOP-36 封装
应用
- USB-PD充电器和适配器,功率高达100W
- 智能手机
- 平板电脑
- 笔记本电脑
- 手持式设备
框图
典型应用图
封装外形
发布日期: 2022-06-02
| 更新日期: 2024-01-31
