STMicroelectronics STDRIVE101三半桥栅极驱动器

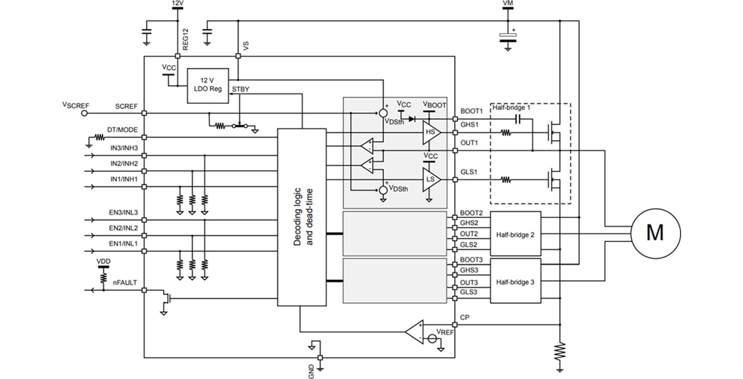
STMicroelectronics STDRIVE101三半桥栅极驱动器是一款低压栅极驱动器,适合用于驱动三相无刷电机。   STDRIVE101是一款单芯片,具有三个半桥栅极驱动器,用于N沟道功率MOSFET。  每个驱动器的电流能力均为600mA(灌/拉)。它集成了一个低压差线性稳压器,可通过自举电路为低侧和高侧栅极驱动器生成电源电压。该器件在低侧和高侧部分均提供欠压锁定 (UVLO) 功能,防止电源开关在低效率或危险条件下。 

特性

  • 宽工作电压:5.5V至75.0V
  • 电流能力:600mA灌/拉
  • 控制逻辑:3.3V和5.0V
  • 两种输入策略
    • ENx/INx,可调节死区时间生成
    • INHx/INLx,带联锁装置
  • 所有通道均有匹配的传播延迟
  • 超短传播延迟:40ns
  • 集成自举二极管
  • 12 V LDO线性稳压器(50 mA最大值)
  • 嵌入式VDS 监控器,用于每个外部MOSFET
  • 过流比较器
  • UVLO和热关断保护
  • 待机模式,实现低电流消耗运行
  • 工作温度范围:-40°C至+125°C
  • 4mm x 4mm VFQFPN24封装

应用

  • 家居自动化
  • 家用电器
  • 电动自行车
  • 电动工具
  • 风扇和泵
  • 工业自动化
  • 纺织机械
  • 游戏和控制台

视频

框图

框图 - STMicroelectronics STDRIVE101三半桥栅极驱动器

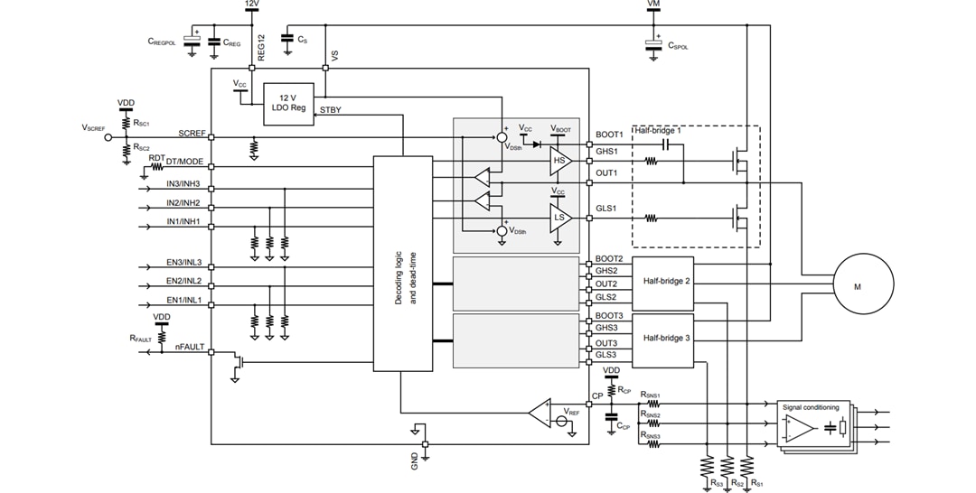
典型应用电路

应用电路图 - STMicroelectronics STDRIVE101三半桥栅极驱动器
发布日期: 2020-11-13 | 更新日期: 2024-12-30