STMicroelectronics STEVAL-3601CV1 评估板

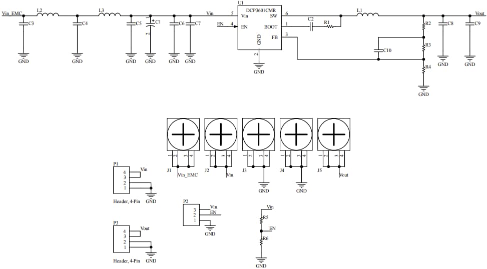
STMicroelectronics STEVAL-3601CV1评估板采用DCP3601CMR同步降压转换器,可增强峰值电流控制和高级设计电路。该板演示智能转换器设计,可在3.3V至36V输入范围内提供高达1A输出电流,输出电压为5V。STEVAL-3601CV1评估板包括1MHz固定切换频率、峰值电流模式控制和内部补偿网络。该评估板符合WEEE和RoHS标准。典型应用包括主要家电中的电源转换解决方案、智能电表、工业24V总线转换以及通用宽Vin电源。

特性

  • 采用 DCP3601CMR 微型同步降压转换器
  • 输入静态电流:110µA
  • 固定切换频率:1MHz
  • 输入工作电压范围:3.3V至36V
  • 5 V 输出电压
  • 同步整流
  • 内部补偿网络
  • 峰值电流模式控制
  • 精密使能
  • 符合WEEE标准和RoHS指令

应用

  • 大家电电源转换解决方案
  • 智能电表
  • 工业24V总线转换
  • 通用宽VIN电源

原理图

原理图 - STMicroelectronics STEVAL-3601CV1 评估板
发布日期: 2024-12-09 | 更新日期: 2026-03-17