STMicroelectronics STEVAL-ISA183V1评估板

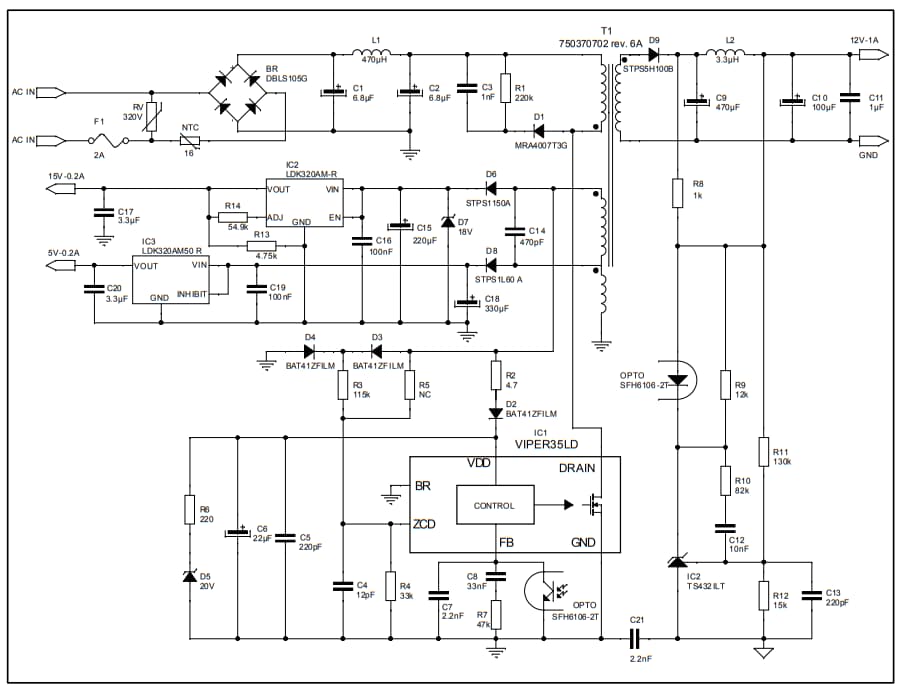
STMicroelectronics STEVAL-ISA183V1评估板采用在准谐振回扫拓扑中设计的16W三路输出电源,设计作为空调应用的辅助PSU。STEVAL-ISA183V1使用VIPerPlus产品系列的VIPer35LD高压转换器。该转换器将800V坚固耐用的功率MOSFET与准谐振PWM电流模式控制相整合。

规范

  • 三个输出电压:
    • 12V/1A(隔离)、15V/200mA(非隔离) 和5V/200mA(非隔离)
  • 低负载条件下高性能:
    • 无负载条件下:<50mW
    • 输入功率:<1.5W,最低工作输出功率时 (0.91W)
  • 电源输入电压范围:175VAC至275VAC 
  • 满载效率:>81%
  • EN55022-B类EMI标准
  • 符合RoHS指令

STEVAL-ISA183V1示意图

原理图 - STMicroelectronics STEVAL-ISA183V1评估板
发布日期: 2017-06-16 | 更新日期: 2022-06-13