STMicroelectronics STEVAL-MIC003V1子板

STMicroelectronics STEVAL-MIC003V1子板设计用于配合X-NUCLEO-CCA02M1扩展板使用。该子板设有4个IMP34DT05顶部端口数字MEMS麦克风和PDM单位输出。STEVAL-MIC003V1子板包括全向灵敏度和122.5dBSPL声学过载点。该子板的工作电源电压范围为1.6V至3.2V。

特性

  • PDM单比特输出
  • 符合RoHS指令
  • 可配合X-NUCLEO-CCA02M1使用的子板
  • 全向灵敏度
  • 4个IMP34DT05顶部端口数字MEMS麦克风

规范

  • 电源电压范围:1.6V至3.6V
  • 64dB SNR
  • 声学过载点:122.5dBSPL
  • 灵敏度:- 26bBFS ±3dB

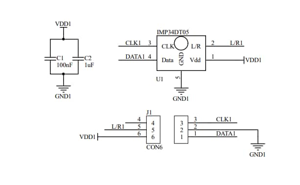
电路原理图

原理图 - STMicroelectronics STEVAL-MIC003V1子板
发布日期: 2020-08-26 | 更新日期: 2025-01-13