STMicroelectronics STEVAL-MKI234KA评估套件
STMicroelectronics STEVAL-MKI234KA评估套件 基于LSM6DSV16BX惯性模块,配有Qvar静电传感器。该评估套件包括三个不同电极 ,因此与STEVAL-MKI109V3主板兼容。STEVAL-MKI234KA具有针对标准DIL 24插座的完整LSM6DSV16BX引脚分配,并与VDD电源线路上的去耦电容器配合使用。STEVAL-MKE00xAA可插入STEVAL-MKI234A板。STEVAL-MKI109V3主板支持该适配器,设有高性能32位微控制器,该微控制器在传感器和PC之间起到桥接作用。该评估套件可使用可下载的图形用户界面或专用软件例程来定制应用,并将该板插入X-NUCLEO-IKS01A3扩展板。特性
- 用户友好型LSM6DSV16BX板
- 针对标准DIL 24插槽的完整LSM6DSV16BX引脚分配
- 完全兼容STEVAL-MKI109V3主板
- 符合RoHS指令
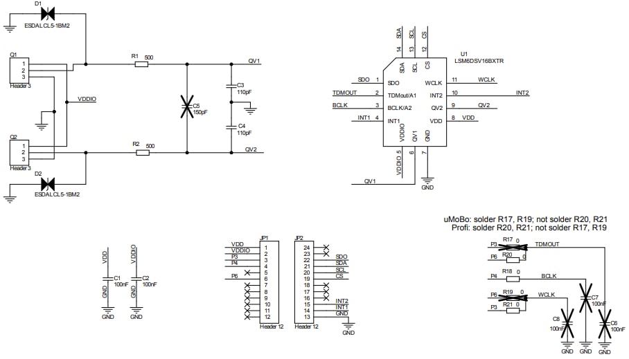
原理图
发布日期: 2023-01-24
| 更新日期: 2023-03-29
