STMicroelectronics STEVAL-MKI195V1适配器板
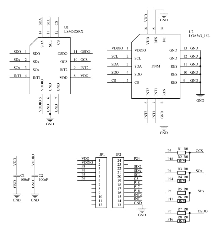
STMicroelectronics STEVAL-MKI195V1适配器板设计用于评估采用LSM6DSRX系统级封装的MEMS器件。该适配器板提供了有效的解决方案,可快速建立系统原型并评估器件。STEVAL-MKI195V1适配器板采用完整的LSM6DSRX引脚分配,可随时与V
DD电源线路上的去耦电容器配合使用。该适配器板由包含高性能32位微控制器的STEVAL-MKI109V3主板提供支持。
特性
- 针对标准DIL 24插槽的完整LSM6DSRX引脚分配
- 便于评估MEMS器件
- 完全兼容STEVAL-MKI109V3主板
- 支持更改电阻器设置
- 符合WEEE标准和RoHS指令
Related Products
包括采用微型封装的高性能、低功耗、高精度运算放大器。
一款系统级封装器件,配备3D数字加速度计和3D数字陀螺仪。
助您完成设计
各种可直接替换器件,适用于通用模拟IC、分立元件和串行EEPROM。
包括采用微型封装的高性能、低功耗、高精度运算放大器。
发布日期: 2019-10-22
| 更新日期: 2024-02-20