STMicroelectronics STEVAL-MKI174V1 LIS2DS12适配器板

STMicroelectronics STEVAL-MKI174V1 LIS2DS12适配器板设计用于评估LIS2DS12微光机电系统 (MEMS) 器件。该适配器板可插入标准DIL24插槽中。STEVAL-MKI174V1适配器板提供完整的LIS2DS12引脚分配,并在VDD电源线路上配有所需的打开即用型去耦电容器。

特性

  • 针对标准DIL24插座的完整LIS2DS12引脚分配
  • 完全兼容STEVALMKI109V3主板
  • 符合RoHS指令

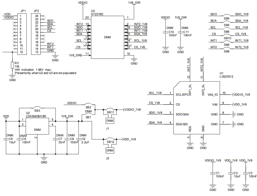
STEVAL-MKI174V1示意图

原理图 - STMicroelectronics STEVAL-MKI174V1 LIS2DS12适配器板
发布日期: 2018-09-11 | 更新日期: 2023-02-20