STMicroelectronics STEVAL-MKI175V1 LIS2DE12适配器板

STMicroelectronics STEVAL-MKI175V1适配器板设计用于方便地对LIS2DE12微光机电系统 (MEMS) 器件进行评估。该板为快速建立系统原型,直接在应用内评估器件提供了有效的解决方案。STEVAL-MKI175V1板可插入标准DIL24插槽中。该适配器提供完整的LIS2DE12引脚分配,并可随时与VDD电源线路上所需的去耦电容器配合使用。

特性

  • 针对标准DIL24插座的完整LIS2DE12引脚分配
  • 完全兼容STEVAL-MKI109V2和STEVAL-MKI109V3主板
  • 符合RoHS指令

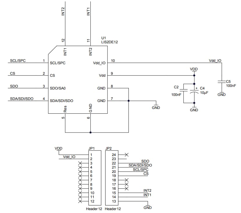
STEVAL-MKI175V1示意图

原理图 - STMicroelectronics STEVAL-MKI175V1 LIS2DE12适配器板
发布日期: 2018-09-12 | 更新日期: 2023-02-20