IIS2ICLX传感器精确焊接在电路板的中心,并提供双面胶,方便将该板安装在用于振动分析的设备上。此外,通过PCB每个角上的孔安装该板。
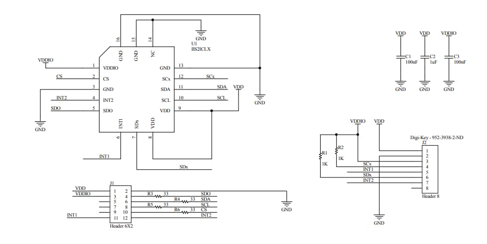
STM STEVAL-MKI209V1K开发套件提供完整的IIS2ICLX引脚分配,并可随时与VDD电源线路上所需的去耦电容器配合使用。
该适配器板由STEVAL-MKI109V3主板提供支持,设有高性能32位微控制器,该微控制器在传感器和PC之间起到桥接作用。通过该连接,使用可下载的图形用户界面(Unico GUI)或专用软件例程来定制应用。
应用
- 智能物体物联网
原理图
发布日期: 2020-07-14
| 更新日期: 2025-01-15

