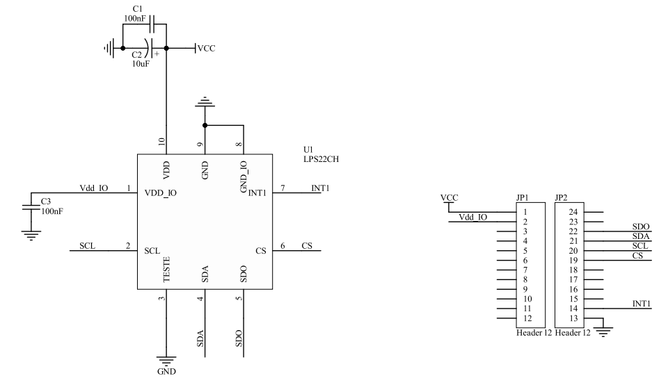
STM STEVAL-MKI219V1适配器板提供完整的LPS22CH引脚分配,并可随时与VDD电源线路上所需的去耦电容器配合使用。
STEVAL-MKI109V3主板支持该适配器板,设有高性能32位微控制器,在传感器和PC之间起到桥接作用。使用可下载的图形用户界面(Unico GUI)或专用软件例程来定制PC的应用。
特性
- 针对标准DIL 24插座的完整LPS22CH引脚分配
- 完全兼容STEVAL-MKI109V3主板
- 符合RoHS指令
电路原理图
发布日期: 2021-02-26
| 更新日期: 2022-04-19

