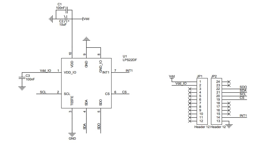
STM STEVAL-MKI224V1 LPS22DF适配器板可插入标准DIL24插座,并提供完整的 LPS22DF 引脚分配。该板可随时与VDD 电源线路上所需的去耦电容器配合使用。
该适配器受 STEVAL-MKI109V3主板支持,其包含一个高性能的32位微控制器,该微控制器在传感器和PC之间起到桥接的作用。用户可选择可下载的图形用户界面(Unico-GUI)、或专用软件例程来定制应用。STEVAL-MKI224V1适配器板非常适合用于通过Unicleo-GUI连接到 X-NUCLEO-IKS01A3扩展板。
特性
- 标准DIL24插座的完整 LPS22DF 引脚分配
- 完全兼容 STEVAL-MKI109V3主板
- 符合RoHS指令
概述
电路原理图
发布日期: 2022-03-11
| 更新日期: 2024-04-26

