STEVAL-MKI109V3主板完全兼容适配器,包括一个高性能32位微控制器。MCU可用作传感器和PC之间的一个桥接器。因此,使用可下载的图形用户界面(Unico-GUI)或专用软件例程来定制应用。
STM STEVAL-MKI238A适配器板可插入到X-NUCLEO-IKS01A3扩展板中。
特性
- 针对标准DIL 24插槽的完整LIS2DUX12引脚分配
- 完全兼容STEVAL-MKI109V3主板
- 符合RoHS指令
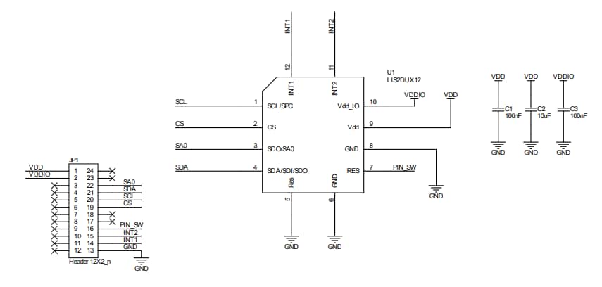
电路原理图
发布日期: 2023-02-03
| 更新日期: 2023-02-08

