STMicroelectronics STEVAL-PMIC1K1评估板

STMicroelectronics STEVAL-PMIC1K1评估板旨在评估用于微处理器单元的STPMIC1x电源管理IC。该评估板包括一个USB加密狗,支持对STPMIC1配置寄存器的I2C访问并有助于设置其他参数。STEVAL-PMIC1K1评估板设有接头连接器,可从外部访问器件中的嵌入式稳压器和开关。该评估板还可通过跳线进行内部布线,从而满足任何物理配置要求。

特性

  • 用于STPMIC1x PMIC的评估板
  • 包括接头连接器
  • 内部布线跳线
  • 可编程电压输出和保护参数
  • 可编程转换器上电和断电序列
  • I2C控制和非易失性存储器配置存储
  • 单电源输入电压范围:3.1V至5V
  • 内置以下器件的单一器件MPU电源解决方案:
    • 5个LDO
    • 5个高效率直流/直流转换器
    • 1个终端
    • 1个用于DDR存储器的电压基准
    • 2个电源开关

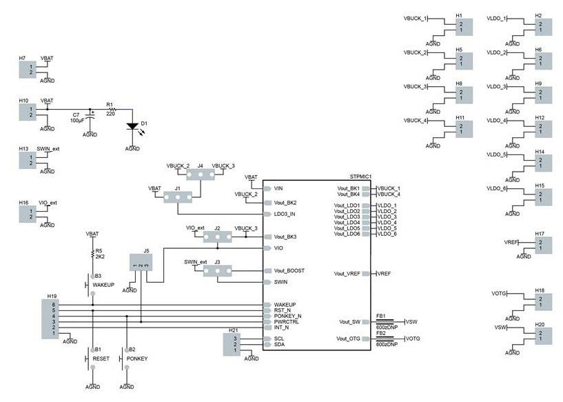
原理图

原理图 - STMicroelectronics STEVAL-PMIC1K1评估板
发布日期: 2019-12-15 | 更新日期: 2024-02-09