STMicroelectronics STEVAL-SCR001V1评估板

STMicroelectronics STEVAL-SCR001V1评估板是一款低成本电路板,用于测试ST涌入电流限制解决方案。STEVAL-SCR001V1评估板提供了一个紧凑、可靠的继电器替代方案,绕过电源转换器内的冲击电流限制电阻器。该STEVAL-SCR001V1板包括驱动电路,其自身与交流线路同步。该评估板可实现在脉冲操作模式下很低的栅极驱动消耗,没有SCR反向损耗。该STEVAL-SCR001V1评估板适合用于峰值电流高达5A(环境温度60°C)的应用。

特性

  • 两个高温晶闸管 (SCR),绕过涌入电阻器
  • 26mmx26mm(≈1平方英寸),紧凑型SMD解决方案
  • 2个低压晶体管和7个电阻器(无 MCU),简易驱动电路
  • 需要一个非稳压电源 (典型值12V,创建自次级绕组)
  • 兼容PFC和反激转换器
  • 适合用于50W至800W(230VRMS,Tamb=60°C)的应用
  • 输入电压范围:90VAC 至 265VAC 
  • 输入频率范围:50/60Hz 
  • 耐用、可靠:
    • 2kV IEC 61000-4-5
    • 2.5kV IEC 61000-4-4
  • 低EMI噪声 (EN55014) 解决方案
  • 符合RoHS指令

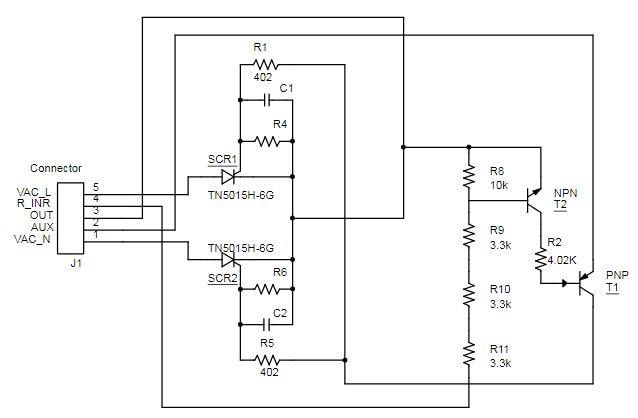
STEVAL-SCR001V1示意图

原理图 - STMicroelectronics STEVAL-SCR001V1评估板
发布日期: 2018-04-02 | 更新日期: 2023-02-01