STMicroelectronics STEVAL-SCR002V1浪涌电流限制器
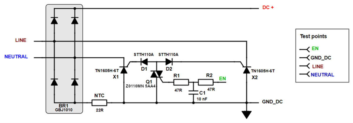
STMicroelectronics STEVAL-SCR002V1浪涌电流限制器是一款简单而创新的交流-直流前端电路。该电路允许设计人员在任何具有输入整流器桥式拓扑的转换器中执行浪涌电流限制。STEVAL-SCR002V1基于由一个Z0110MN SMD三端双向可控硅和两个STTH110A二极管组成的分立式控制电路。它提供用于主电源SCR的紧凑型非绝缘高压驱动器。
特性
- 两个TN1605H-6T 16A - 600V Hi Tj SCR,采用TO-220封装,用于旁路浪涌电阻器
- 紧凑型解决方案:43.6mm x 28.5mm (≈ 1.8平方英尺)
- 在所有模式(CCM、CRM和DCM)兼容带或不带PFC的交流-直流转换器
- 使能信号(EN = 3.3V至15V)对GND_DC(直流或PWM信号)
- 适合用于从50W直至1000W(230VRMS,TAMB=60°C)的应用
- 兼容交流或直流输入电压:90 - 265VAC、50/60Hz或120 - 400VDC
- 坚固,耐压(2kV IEC 61000-4-5、4kV IEC 61000-4-4)
- 低EMI噪声 (EN55014和EN55022) 解决方案
相关产品
抗噪性能、
栅极触发电流和导通电流的上升,帮助实现坚固紧凑的控制电路。
Available from from 200V to 1200V with various VF/tRR trade-offs.
助您完成设计
各种可直接替换器件,适用于通用模拟IC、分立元件和串行EEPROM。
发布日期: 2022-07-21
| 更新日期: 2023-09-11