IIS3DW传感器精确焊接在电路板的中心,并提供双面胶,方便用户将该板安装在用于振动分析的设备上。或者,通过PCB每个角上的孔安装该板。
STEVAL-MKIGIBV2可插入标准DIL 24插槽。iNemo惯性模块套件提供完整的IIS3DWB引脚分配,并在VDD电源线路上配有所需的打开即用型去耦电容器。
STEVAL-MKI109V3主板包含一个高性能32位微控制器,用作传感器和PC(运行免费Unico GUI图形用户接口或定制应用的专用软件例程)之间的桥接器。
特性
- 预先安装的IIS3DWB加速度计
- 3轴加速度计,带数字输出
- 用户可选满量程:±2g/±4g/±8g/±16g
- 超宽和平坦频率响应范围:直流至5kHz(±3dB点)
- 超低噪声密度:三轴模式下低至90μg/√Hz/单轴模式下低至65μg/√Hz
- SPI串行接口
- 2.5mmx3.0mm紧凑型LGA-14封装
- 该板针对标准DIL 24插槽提供完整的IIS3DWB引脚分配
- 完全兼容STEVAL-MKI109V3主板
- 包含双面胶,方便安装在待测设备上
- 符合RoHS和WEEE标准
应用
- 振动监测
- 条件监测
- 预测性维护
- 测试和测量
IIS3DWB框图
IIS3DWB架构由以下功能块组成:
- MEMS机械元件
- 模数转换器 (ADC)
- 数字滤波器 (LPF1)
- 复合滤波器
STEVAL-MKIGIBV2示意图
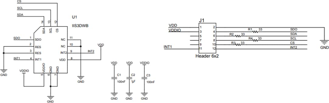
STEVAL-MKI208V1示意图
发布日期: 2020-01-08
| 更新日期: 2025-01-14

