STM STGIPQ4C60T-HZ SLLIMM nano IGBT封装设计用于实现更好、更轻松的螺钉连接散热片,并在内置电机应用或装配空间有限的其他低功耗应用中优化热性能和紧凑性。该IPM包括一个完全中性的运算放大器和一个比较器,可用于设计快速高效的保护电路。
特性
- IPM 6A、600V、三相IGBT逆变桥,包含三个控制IC,用于栅极驱动和续流二极管
- 3.3V、5V、15V TTL/CMOS迟滞输入比较器和下拉/上拉电阻器
- 内置自举二极管
- 经优化实现低电磁干扰
- 欠压闭锁
- 短路保护型TFS IGBT
- 关断功能
- 联锁功能
- 用于高级电流检测的运算放大器
- 用于过流故障保护的比较器
- 隔离等级:1500Vrms/min
- NTC (UL 1434 CA 2和4)
- 高达±2kV ESD保护(HBM C=100pF,R=1.5kΩ)
- UL认证:UL1557,文件E81734
应用
- 用于电机驱动的三相逆变器
- 洗碗机
- 洗衣机
- 冰箱压缩机
- 风扇
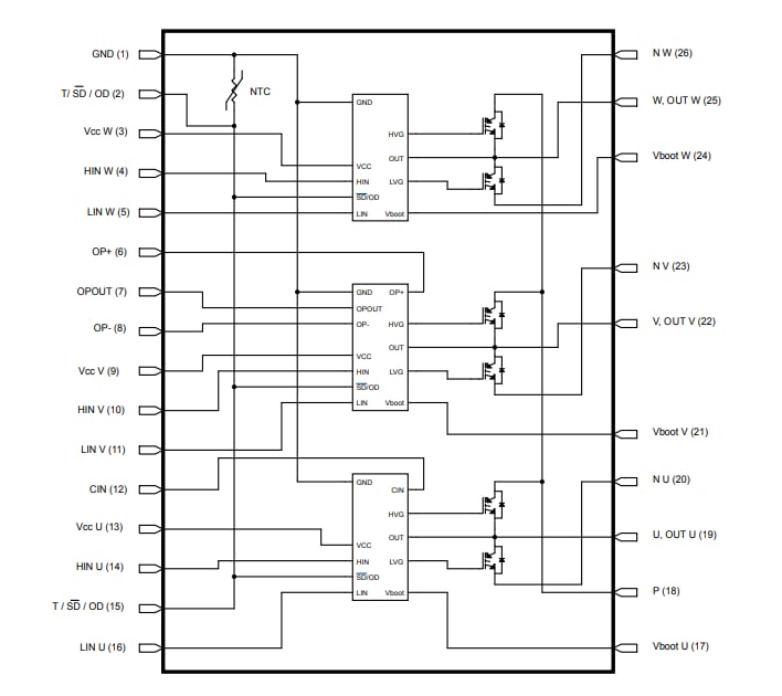
内部示意图
发布日期: 2021-03-08
| 更新日期: 2022-03-11

