STGIPQ5C60T小型低损耗智能模制模块 (SLLIMM) Nano IPM设有运算放大器和比较器,可用于设计高效的保护电路。典型应用包括用于电机驱动的3相逆变器、空调风扇、冰箱压缩机以及循环泵。
特性
- 内置自举二极管
- 欠压锁定
- 智能关断功能
- 联锁功能
- 经优化实现低电磁干扰
- 可实现高级电流检测的运算放大器
- 用于过流故障保护的比较器
- 1500Vrms/min隔离等级
应用
- 用于电机驱动的三相逆变器
- 洗碗机
- 冰箱压缩机
- 加热系统
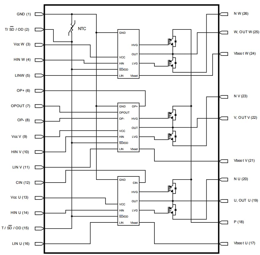
内部原理图和引脚配置
发布日期: 2017-11-16
| 更新日期: 2022-03-10

