STMicroelectronics STSPIN32F025x 250V三相控制器
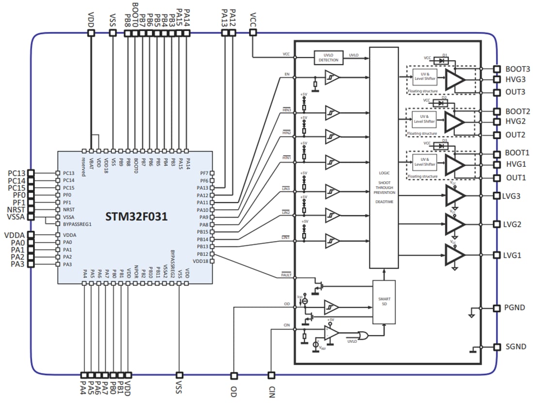
STMicroelectronics STSPIN32F025x 250V三相控制器是高度集成的解决方案,用于驱动三相应用。由于集成度高,因此有助于设计人员减少PCB占位和总体物料清单。STSPIN32F025x内置STM32F031x6x7 MCU(采用Arm® 32位Cortex®-M0 CPU)和250V三路半桥栅极驱动器。半桥栅极驱动器可驱动N通道功率MOSFET或IGBT。该器件集成了具有高级smartSD功能的比较器,可确保快速有效地防止过载和过流。下部和上部驱动部分还集成了高压自举二极管,以及防交叉传导、死区时间和UVLO保护。这些特性可防止电源开关在低效率或危险条件下运行。低侧和高侧部分之间的匹配延迟可确保无周期失真。集成的MCU可以执行FOC、6步无传感器以及其他高级驱动算法(包括速度控制回路)。特性
- 三相栅极驱动器
- 高达250V高压轨
- 驱动器电流能力
- 200mA/350mA拉/灌电流 (STSPIN32F0251)
- 1.0A/0.85A拉/灌电流 (STSPIN32F0252)
- dV/dt瞬态抑制:±50V/ns
- 栅极驱动电压范围:9V至20V
- 32位ARM® Cortex®-M0内核
- 时钟频率高达48MHz
- 4KB SRAM,带HW奇偶校验
- 32KB闪存存储器,带有用于写入/读出保护的可选字节
- 21个通用I/O端口 (GPIO)
- 6个通用定时器
- 12位ADC转换器(多达10个通道)
- I2C、USART和SPI接口
- 所有通道均有匹配的传播延迟
- 集成自举二极管
- 用于快速过流保护的比较器
- UVLO、联锁和死区功能
- 智能关断 (smartSD) 功能
- 用于实现低功耗的待机模式
- 通过SWD支持片上调试功能
- 扩展温度范围:-40°C至+125°C
应用
- 电池供电和110VAC供电的电动和园艺工具
- 工业风扇和泵
- 家用电器
- 工业和家庭自动化
框图
视频
发布日期: 2019-10-28
| 更新日期: 2024-02-23
