特性
- 三相栅极驱动器
- 电压:高达250V
- dV/dt瞬态抑制:±50V/ns
- 栅极驱动电压范围:9V至20V
- 驱动器电流能力
- 拉/灌电流:200/350mA(+25°C时)(STSPIN32G0251))
- 拉/灌电流:1.00/0.85A(+25°C时)(STSPIN32G0252)
- 32位Arm® Cortex®-M0+MCU内核
- 时钟频率高达64 MHz
- 8Kb SRAM,具有硬件奇偶校验功能
- 64Kb闪存,具有保护和安全区域
- CRC 计算单元
- 多达32个通用I/O端口 (GPIO)
- 1个高级定时器,用于电机控制,16位,具有多达6个PWM通道
- 5个通用定时器(1个32位)
- 2个低功耗定时器
- 12位ADC转换器(多达15个通道),转换速率为2MSps
- 5通道DMA控制器,灵活映射
- 内部高精度电压基准
- 全套接口:2个I2C接口、2个SPI接口、3个UART接口和1个低功耗UART接口
- 所有通道均有相配的传播延迟
- 集成自举二极管
- 用于快速过流保护的比较器
- UVLO、联锁和死区时间功能
- 智能关断 (smartSD) 功能
- 用于实现低功耗的待机模式
- 通过SWD支持片上调试功能
- 扩展温度范围:-40 °C至+125 °C
- QFN 10mm x 10mm 72 L脚距0.5mm爬电距离1.8 mm封装
应用
- 三相电机驱动器
- 逆变器
- 工业设备和风扇
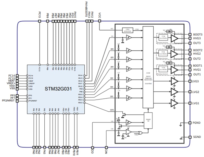
方框图
发布日期: 2024-02-28
| 更新日期: 2024-03-15

