STMicroelectronics VN7007ALHTR高侧驱动器
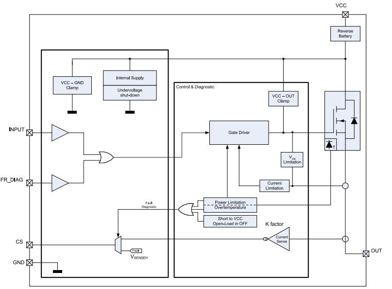
STMicroelectronics VN7007ALHTR高侧驱动器是具有电流检测模拟反馈功能的单通道驱动器。VN7007ALHTR高侧驱动器设计用于通过3V和5V CMOS兼容型接口来驱动12V汽车接地负载。VN7007ALHTR高侧驱动器提供各种诊断功能,如过载和接地短路指示、热关断指示、关断状态开路负载检测和检测启用/禁用。VN7007ALHTR驱动器集成了各种高级保护功能,如负载电流限制、通过功率限制实现的过载有源管理以及过热关断。VN7007ALHTR高侧驱动器采用ST专有的VIPower®技术制造而成,采用octapak封装。 典型应用包括汽车智能配电、大功率电阻和电感执行器、电热塞、加热系统、直流电机、继电器替代品。特性
- 一般特性:
- 单通道智能高侧驱动器
- 电流检测模拟反馈
- 兼容3V和5V CMOS输出
- 诊断功能:
- 过载和接地短路指示
- 热关断指示
- 断态开路检测
- 输出短路到VCC检测
- 检测启用/禁用
- 保护特性:
- 欠压关断
- 过压钳位
- 负载电流限制
- 快速热瞬态的自限制
- 接地损耗和VCC损耗
- 用于超温或功率限制的可配置锁断
- 电池反向保护
- 静电放电保护
应用
- 汽车智能配电系统
- 电热塞
- 加热系统
- 直流电机
- 继电器替代品
- 大功率电阻和电感执行器
规范
- 最大瞬态电源电压 (VCC):40V
- 工作电压范围:4V至28V
- 7mΩ(典型值)导通电阻(每通道)(RON)
- 100A(典型值)电流限制 (ILIMH)
- 0.5µA(最大值)待机电流 (ISTBY)
- 工作结温范围:-40°C至150°C
VN7007ALHTR框图
发布日期: 2018-08-02
| 更新日期: 2023-02-13
